Analog Devices Inc. EVAL-ADA4620-1評価ボード
Analog Devices Inc. EVAL-ADA4620-1評価ボードは、8リードSOICパッケージのADA4620-1、36V、高精度JFETオペアンプ用に設計されています。 ユニティ・ゲイン・フォロワー・バッファとしてADA4620-1オペアンプと共に、あらかじめ設定されており、入力と出力の両方で簡単に接続できるSMAコネクタを備えています。そのため試験・測定機器や外部回路と効率的に接続できるようになります。 この4層評価ボードのグランド層、部品配置、電源デカップリングは、回路の柔軟性と性能を最大限に引き出すために最適化されています。 EVAL-ADA4620-1ボードには、フォトダイオード構成とフィルター設計に対応します。 アクティブ・ループ・フィルター、トランスインピーダンス・アンプ(TIA)、チャージ・アンプなどのさまざまなアプリケーションをサポートし、カスタマイズ用に未実装のパッドを備えています。特徴
- 36V、高精度 JFET オペアンプADA4620-1用フル機能評価ボード
- ユーザー定義の回路構成が可能
- 迅速なプロトタイピングの有効化
- 迅速な評価のためのフォトダイオードのフットプリントの提供
- エッジマウントコネクタとテストポイントに対応
アプリケーション
- アクティブ・ループ・フィルタ
- トランスインピーダンスアンプ(TIA)
- チャージアンプ
- 電子テスト・測定
- 科学機器および現場計器
- 半導体テスト
EVボードの接続
概要
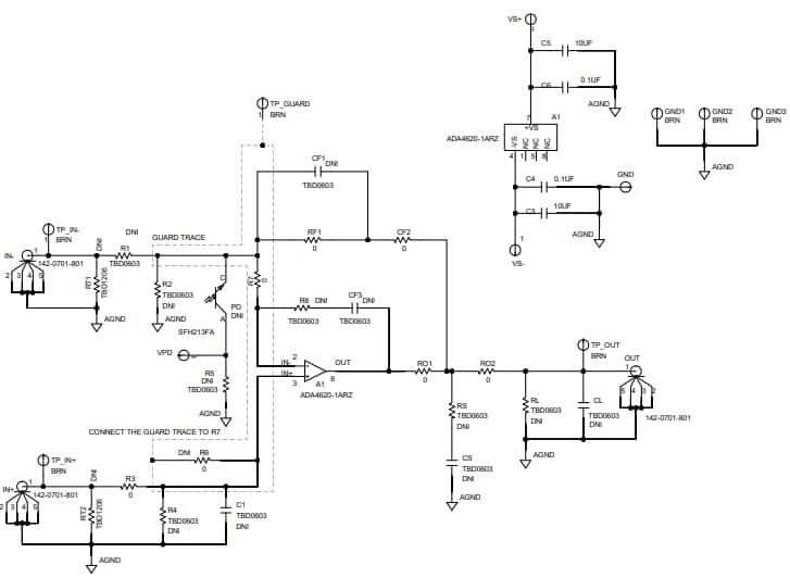
スキーム図
公開: 2025-01-15
| 更新済み: 2025-02-25
