Analog Devices Inc. EVAL-KW4501Z統合ノイズKWIKデモボード
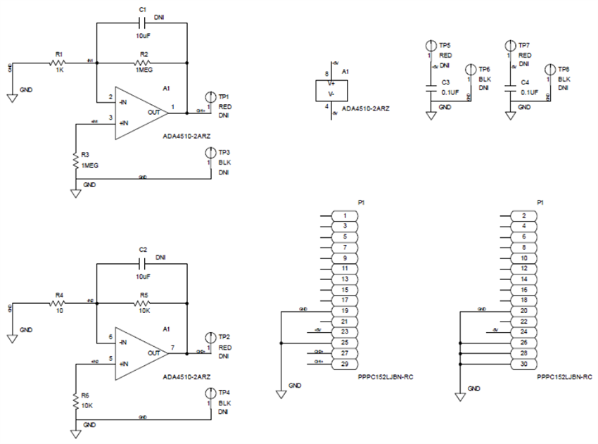
Analog Devices Inc. EVAL-KW4501ZIntegrated Noise KWIKデモボードは、2チャンネルオペアンプの積分ノイズを評価し、区別します。Analog Devices EVAL-KW4501Zは、統合ノイズKWIK講義とラボトレーニングモジュールのコンパニオンボードです。このボードは、ポータブルADALM2000 USB駆動のソフトウェア定義のテスト計測機器に直接差し込むことができる一連のインストラクションおよびデモ用評価ボードであるKWIK デモボードファミリの一部です。EVAL-KW4501Zの注目ICであるADA4510-2は、デュアルチャンネル、高精度、低オフセット電圧、低ノイズ、レール・ツー・レール入力、出力オペアンプです。このオペアンプには、6V ~40Vの広い供給電圧動作範囲があり、ADALM2000のオンボード±5V電源電圧によって給電できます。EVAL-KW4501Zには、ADA4510-2の8ピンSOICバージョンが採用されており、同じフットプリントとピン構成で他のICに対応しています。
特徴
- オペアンプの統合ノイズの迅速な計測が可能
- DUTと同様のピン構成が備わっている他の8リード SOICデュアルチャンネルオペアンプに対応
- プラグアンドプレイ機能により、ADALM2000 への接続が容易になり、 Scopy (ADALM2000 の付属ソフトウェア) で簡単にテストや測定を実行できます。
アプリケーション
- ノイズ測定と分析
- オーディオ システム
- ワイヤレス通信システム
- 医療用計測機器
- 信号処理
- 電源と電圧制御システム
- 半導体テストおよび開発
- 家電製品
- 高精度産業機器
必要な機器
- ADALM2000 アクティブラーニングモジュール
- USB-A to micro-USBケーブル
- AMS(航空、ミリタリー、宇宙)
概要
各チャンネルの回路構成
回路図
公開: 2025-02-20
| 更新済み: 2025-02-25
