ROHM Semiconductor BR24G16NUX-5TR I2CバスEEPROM
ROHM Semiconductor BR24G16NUX-5TR I2CバスEEPROMは、I2Cバスインターフェイスの16キロビットのシリアルEEPROMです。このEEPROMは、1.6V~5.5Vの広い動作電圧制限、16バイトのページ書込モード、2K x 8ビット形式が特徴です。BR24G16NUX-5TRバスEEPROM制御は、2つのポートシリアルクロック(SCL)およびシリアルデータ(SDA)で使用できます。このデバイスには、400万回(Ta = 25°C)の書込サイクル、200年(Ta = 55°C)のデータ保持、3.5msの最大書込サイクル時間が含まれています。代表的なアプリケーションには、AV機器、OA機器、電気通信機器、家電、アミューズメント機器があります。特徴
- シリアルクロック(SCL)とシリアルデータ(SDA)の2つのポートで利用可能なすべての制御
- 低電圧時の誤書き込みを防止
- ページ書込モード:16バイト
- 2K x 8ビット形式
- 低消費電流
- 書き込みミスの防止
- 書込保護(WP)機能
- ノイズフィルタ内蔵SCL/SDAピン
- 初期デリバリー状態FFh
仕様
- 書き込みサイクル:400万回(Ta = 25°C)
- データ保持:200年間(Ta = 55°C)
- 書込サイクル時間:3.5ms(最大値)
- 供給電圧範囲:1.6V~5.5V
- 周囲動作温度範囲:-40°C~85°C
アプリケーション
- AV機器
- OA機器
- 通信装置
- 家庭用電化製品
- アミューズメント機器
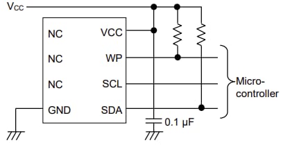
標準アプリケーション回路
ブロック図
公開: 2024-12-19
| 更新済み: 2024-12-30
