Texas Instruments TPSM8287Axxは、固定周波数モードまたはパワーセーブモードで動作できます。リモート・センシング機能により、ポイント・オブ・ロードでの電圧レギュレーションが最適化され、デバイスは全温度範囲にわたって±0.8%のDC電圧精度を達成します。このデバイスをスタック モードまたは並列モード で動作させることで、大出力電流を供給することや、電力散逸を複数のデバイスに分散することが可能です。I2C互換インターフェイスにより、複数の制御、監視、警告機能を提供します。VSETxピンによりスタートアップ電圧を選択でき、アクティブな I2C通信がなくても起動できます。
特徴
- ±0.8%の出力電圧精度
- 差動リモートセンシング
- マルチフェーズ動作向けの並列接続が可能
- スタートアップ時の出力電圧は、VSETxピンと1.25mV刻みで調整可能な I2Cにより、0.40V〜3.35Vの範囲で50mV刻みで選択可能
- VSETxピンを介して選択可能な5つの I2Cに対応
- 低EMI要件向けに最適化済
- ボンドワイヤーパッケージなし
- 内部入力コンデンサ
- 並列入力パスによるレイアウトの簡略化
- 外部クロックへの同期またはスペクトラム拡散動作(オプション)
- 可変外部補償により、広い出力コンデンサ範囲と最適化された過渡応答を実現
- パワーセーブモードまたは強制PWM動作
- 高精度のイネーブル入力スレッショルド
- パワーグッド出力(ウィンドウ・コンパレータ搭載)
- アクティブ出力放電
- 優れた熱性能
- 動作温度範囲:-40°C~+125°C
- 4.5mm × 6.8mmのQFNパッケージ、0.5mmピッチ
- 77mm2 の設計サイズ
アプリケーション
- FPGA、ASIC、デジタルコア電源
- 光ネットワーク
- ストレージ
- DDRメモリ電源
- 試験および計測機器
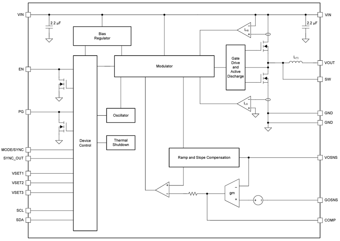
機能ブロック図
公開: 2024-03-11
| 更新済み: 2024-10-17

