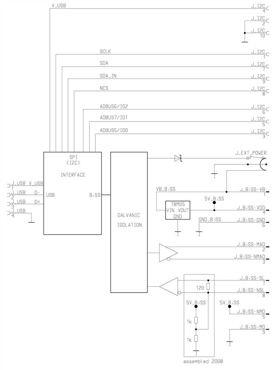
iC-Haus MB3U-I2C BiSS(SSI) & I2C-to-PC Adapter
iC-Haus MB3U-I2C BiSS(SSI) and I2C-to-PC Adapter enables a simple evaluation of ICs using the corresponding evaluation board and GUI software. This adapter provides differential, galvanically isolated RS422 master interfaces for BiSS and SSI through its 9-pin D-sub connector. The MB3U-I2C adapter features a single-ended master interface for SPI, I2C, and 2-wire via its 2x5-pin connector. This adapter is compatible with USB 2.0 and provides drivers for Windows 10, Windows 11, and Linux operating systems. The MB3U-I2C adapter is ideal for application development and debugging using iC-Haus components.
Features
- Simple evaluation and implementation of iC-Haus components
- BiSS/SSI interface (9-pin D-sub connector)
- SPI/I2C/2-wire interface (2x5-pin connector)
- 5V and 12V sensor supply voltage
- 10MHz (BiSS), 4MHz (SSI), 6MHz (SPI), and 100kHz (I2C) fast communication
- USB 2.0 compatible PC interface
- Plastic case, field interfaces, and powered via USB field-capable design
Applications
- Application development
- Debugging using iC-Haus components
Schematic Diagram
iC-MB3 iCSY MB3U-I2C
公開: 2025-11-21
| 更新済み: 2026-01-21
