Infineon Technologies CY7C1049DV33 Fast Async SRAM
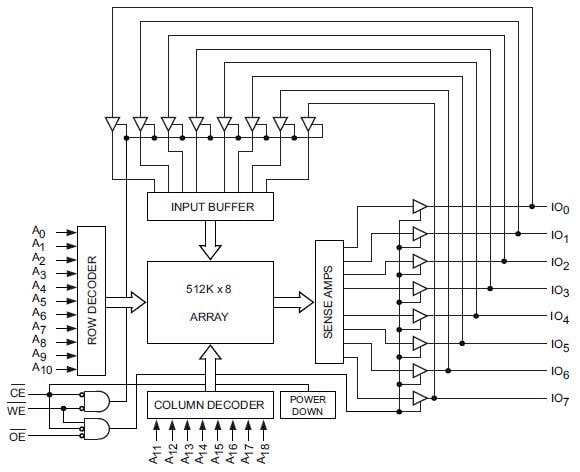
Infineon Technologies CY7C1049DV33 Fast Async SRAM is designed as a high-performance Complementary Metal Oxide Semiconductor (CMOS) Static RAM organized as 512K words by eight bits. The device provides easy memory expansion by an active LOW Chip Enable (CE), an active LOW Output Enable (OE), and tristate drivers. Users write to the device by taking Chip Enable (CE) and Write Enable (WE) inputs LOW. Data on the eight I/O pins (I/O0 through I/O7) is then written into the location specified on the address pins (A0 through A18).Features
- Pin and function compatible with CY7C1049CV33
- tAA= 10ns High speed
- ICC = 90mA at 10ns Low active power
- Low CMOS standby power of ISB2 = 10mA
- 2.0V data retention
- Automatic power down when deselected
- Transistor- transistor logic (TTL) compatible inputs and outputs
- Easy memory expansion with CE and OE features
- Available in Pb-free 36-pin (400Mil) molded SOJ and 44-pin TSOP II packages
Logic Block Diagram
公開: 2014-03-31
| 更新済み: 2022-08-15
