Infineon Technologies CYW20736 BLUETOOTH® Low Energy SoC
Cypress CYW20736 BLUETOOTH® Low Energy SoCは、200nAのパワーダウン電流、3.63Vの入力信号範囲、2402~2480MHzの周波数範囲が特徴です。CYW20736は、付属品、センサ、モノのインターネット、ウェアラブルマーケットセグメントを対象に、Bluetooth Smart利用事例の全範囲に対応するように設計されています。このシングルチップBluetooth低エネルギーSoCは、標準のデジタルCMOSプロセスに実装されているモノリシックコンポーネントで、完全準拠Bluetoothデバイスにするには最小限の外付けコンポーネントのみが必要です。CYW20736は、32ピン、5×5mm 32 QFNパッケージならびにWLCSPおよびダイパッケージでのご用意があります。アプリケーション
- ワイヤレス電力(A4WP)ワイヤレス充電を目的とした提携
- Bluetooth低エネルギー(BLE)に対応
- 赤外線変調器
- 赤外線学習
- 適応型周波数ホッピングに対応
- 優れたトランシーバー感度
- 9つのアナログチャンネルが備わった10ビット補助ADC
- シリアルペリフェラルインターフェース(マスタおよびスレーブモード)のオンチップサポート
- Broadcomシリアル通信インターフェース(NXP I2Cスレーブとの互換性あり)
- プログラマブル出力電力制御
- 統合ARM Cortex-M3ベースのマイクロプロセッサコア
- オートメーションプロファイル
- セキュアOTAに対応
- オンチップパワーオンリセット(POR)
- EEPROMとシリアルフラッシュインターフェースに対応
- 統合低ドロップアウトレギュレータ(LDO)
- オンチップソフトウェア制御の電源管理ユニット
- パッケージの種類: 32ピン32-QFNパッケージ(5×5mm)、80ピンWLCSPパッケージ(2104×2085μm)
- RoHS準拠
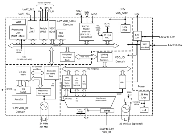
ブロック図
公開: 2019-09-19
| 更新済み: 2024-01-30
