Infineon Technologies S80KS5122 & S80KS5123 HYPERRAM™ 2.0メモリ
Infineon Technologies S80KS5122およびS80KS5123 HYPERRAM™ 2.0メモリは、高速、低ピン本数、低電力 セルフ更新ダイナミックRAM(DRAM)であり、スクラッチパッドまたはバッファリング目的で拡張メモリを必要とする高性能組み込みシステムを対象としています。 HYPERRAM製品は、JEDEC JESD251プロファイル に準拠したHYPERBUS™およびオクタルxSPIインターフェイスをサポートしており、パラレルおよびシリアルインターフェイスメモリのレガシー機能を活用すると同時に、システムの性能を強化して設計を容易にし、システムコストを削減します。 ピンの本数が少ないアーキテクチャ(低ピン数アーキテクチャ)によって、HYPERRAMはオフチップ外付けRAMを必要とし電力に制限があり実装スペースが限られているアプリケーションに特に適しています。Infineon Technologies S80KS5122およびS80KS5123 HYPERRAMは、HYPERBUSまたはオクタルxSPIインターフェイスのいずれかでご用意しております。
特徴
- 8ビット対応データバス
- 512Mb密度
- インターフェイス
- S80KS5122:HYPERBUS(x8)
- S80KS5123:オクタルxSPI(x8)
- 200MHz
- 供給電圧:1.8V
- 温度範囲オプション
- 工業用:-40°C~+85°C
- 工業プラス(-40°C~+105°C)
- 車載グレード3(-40°C~+85°C)
- 車載グレード2(-40°C~+105°C)
- 車載グレード1(-40°C~+125°C)
- 6mm x 8mm BGA-24パッケージ
アプリケーション
- 自動車の計器クラスタ、インフォテインメント、およびテレマティクス システム
- 産業用マシンビジョン
- 産業用およびコンシューマー用のHMIディスプレイパネル
- コンシューマー用ウェアラブルデバイス
- 通信モジュール
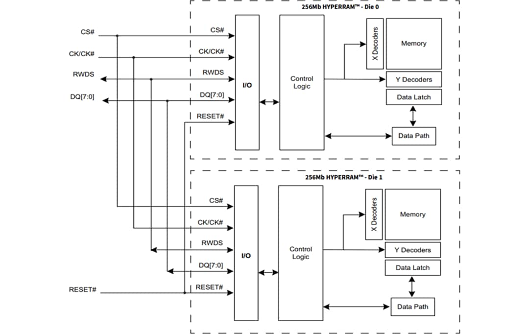
論理ブロック図(S80KS5122)
論理ブロック図(S80KS5123)
公開: 2022-03-21
| 更新済み: 2023-04-25
