Infineon Technologies WLC1115ワイヤレス充電送信機
Infineon Technologies WLC1115ワイヤレス給電送信機は、USB Type-C™ Power Delivery(PD)を搭載した高集積・Qi準拠のワイヤレス給電送信機です。WLC1115は、15Wアプリケーションを対象としたQi v1.3.2規格に準拠しており、USB-PD 3.0仕様に適合します。WLC1115は、ワイヤレス送信機アプリケーションに必要な降圧およびインバータ電源用の集積ゲートドライバを搭載しています。また、広い入力電圧範囲をサポートしており、 独自のワイヤレス送信機ソリューションを作成できる数多くのプログラマブル機能を備えています。WLC1115は、高レベルのプログラムが可能なワイヤレス充電送信機および統合USB-PDシンクソリューションで、オンチップ32ビットArm® Cortex®-M0プロセッサ、128KBフラッシュ、16KB RAM、32KB ROMを搭載しているため、ほとんどのFlashをユーザーアプリケーションで使用できます。また、アナログ/デジタルコンバータ(ADC)、PWM、タイマーなどのさまざまなアナログおよびデジタル周辺機能も備えています。アナログおよびデジタル周辺機能を備え完全プログラム可能のMCUを搭載しており、フリーポジショニング送信機設計のためのスケールできるマルチコイル・ワイヤレス充電ソリューションが実現します。
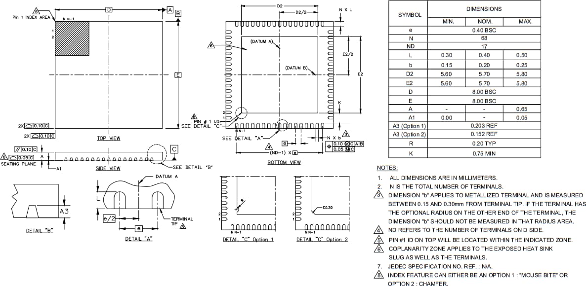
Infineon Technologies WLC1115ワイヤレス充電送信機は、優れた熱性能を発揮するためにパッドが露出している8.0mm x 8.0mm QFN-68パッケージに格納されています。
特徴
- Qi 3.x準拠の送信機(MP-A11コイル)
- 一体型USB-PDコントローラ
- USB-PD 3.0バージョンをサポート
- プログラマブル電源(PPS)モード
- QC 2.0、3.0、AFCのようなUSB-PDレガシー充電プロトコルをサポート
- 集積バックコンバータ・コントローラ(VBRIDGE(VBRG)用)
- 集積ゲートドライバ(バックコンバータ、インバータ用)
- 集積Qファクタ検出
- 集積MSK変調器
- 広い入力電圧範囲5V~24V
- 通信ポートI2CおよびUART
- 過電流保護(OCP)
- 過電圧保護(OVP)
- 集積ADC回路と内部温度センサ経由の温度過昇保護をサポート
- 拡張工業温度範囲-40°C~+105°C
- 8.0mm x 8.0mm x 0.65mm QFN-68パッケージ
アプリケーション
- 拡張電力特性 (EPP) (15W) および基本的な電力特性 (BPP) (5W) に対応できるワイヤレス充電パッド
- スマートスピーカ
- ポータブルアクセサリ
- 家具と家庭用品
- ドッキングステーション
- 高速充電サポート
論理ブロック図
標準アプリケーション回路
パッケージ外形
公開: 2022-06-27
| 更新済み: 2022-11-04
