Infineon Technologies 1700V Fourpack IGBTモジュールは、EconoPACK™3およびEconoDual 3パッケージで販売されており、熱拡散を最適化する絶縁ベースプレートが備わっています。
特徴
- 集積NTC温度センサ
- 正の温度係数が備わったコレクタ・エミッタ飽和電圧(VCEsat)
- 絶縁ベースプレート
- はんだとプレスフィット端子技術オプション
- コレクタ・エミッタ電圧:1,700V(VCES)
- 高DC安定性
- 高短絡性能
- 動作接合部温度範囲:-40°C〜+150°C(Tvjop)
アプリケーション
- 工業用暖房と溶接
- モーター制御とドライバ
- 牽引
- ハイパワーコンバータ
- 中電圧コンバータ
- 風力タービン
データシート
- EconoPACK 3パッケージ
- F4-100R17N3E4 1,700V, 100A
- F4-150R17N3P4 1,700V、150A
- F4-200R17N3E4 1700V、200A
- EconoDUAL 3パッケージ
- F4-100R17ME4_B11 1,700V、100A
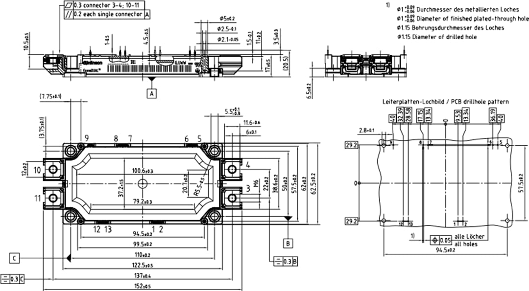
EconoDUAL 3パッケージの外形
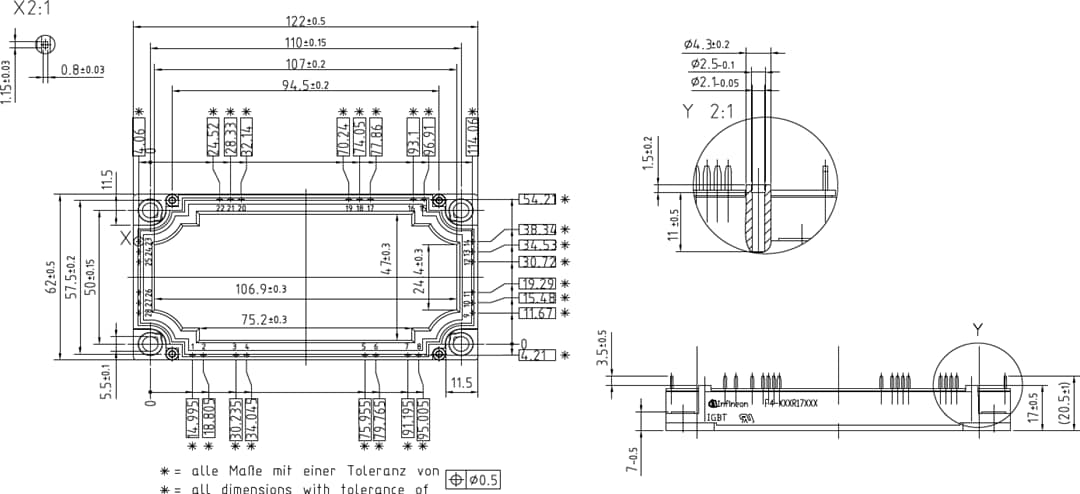
EconoPACK 3パッケージの外形
公開: 2021-07-16
| 更新済み: 2023-09-05

