Infineon Technologies EiceDRIVER™ 1ED21x7x 650Vハイサイドゲートドライバ
Infineon Technologies EiceDRIVER™ 1ED21x7x650Vハイサイドゲートドライバは、高電圧パワートランジスタを対象に堅牢で効率的な制御を実現するよう設計されています。これらのInfineonゲートドライバは、ハイサイドドライバアーキテクチャが特徴で、モータドライブ、ソーラーインバータ、産業用電源をはじめとする広範囲なアプリケーションに対応しています。1ED21x7xシリーズには、650Vの最大電圧定格が備わっており、要求の厳しい環境での信頼性の高い動作が保証されます。主な機能には、統合ブートストラップダイオード、高速スイッチング機能、不足電圧ロックアウト(UVLO)および過電流保護などの包括的な保護メカニズムがあります。これらの属性によってEiceDRIVER™ 1ED21x7xシリーズは、高電圧パワーシステムの性能と信頼性の向上に最適な選択です。特徴
- インフィニオン薄膜SOIテクノロジー
- +650V(最大)阻止電圧
- ±4A出力ソース / シンク電流
- 25V(最高)電源電圧
- 統合型超高速、低RDS(ON) ブートストラップダイオード
- 100Vの負VS過渡耐性
- 過電流および不足電圧供給の検出
- プログラム可能な障害クリアタイムが備わったマルチ機能RCIN / 障害 / イネーブル(RFE)
- 100ns未満の伝搬遅延
- パッケージ PG-DSO-8
- JEDEC47/20/22に関連する試験に基づいた産業用アプリケーション向け認定済
- RoHS準拠
アプリケーション
- モータドライブ、汎用インバータ
- フォークリフト
- 軽電気自動車
仕様
- 672V(最大)ハイサイド浮遊ウェル電源電圧
- ハイサイド浮遊ウェル電源オフセット電圧範囲: 0V〜650V
- 22V(最大)ハイサイド浮遊ウェル電源電圧
- 22V(最大)ローサイド電源電圧
- 論理I/O電圧(HIN / RFE)範囲: 0V〜5V
- 5µA(最大)ハイサイド浮遊ウェルオフセット電源リーク
- 350µA(最大)VBS 自己消費電源電流、270µA(標準)
- 400µA(最大)VCC 自己消費電源電流、270µA(標準)
- 高レベル出力電圧降下: 0.46V(標準)
- 低レベル出力電圧降下: 0.26V(標準)
- ピーク出力電流ターンオン / オフ: 4A(標準)
- 入力バイアス電流: 1µA〜50µA(最大)
- ブートストラップダイオード
- VCC とVB の間の0.6V〜1.1V順電圧範囲
- VCC とVBの間の71mA標準順電流
- 50Ω(最大)抵抗、35Ω(標準)
- 周囲温度範囲: -40°C~+125V
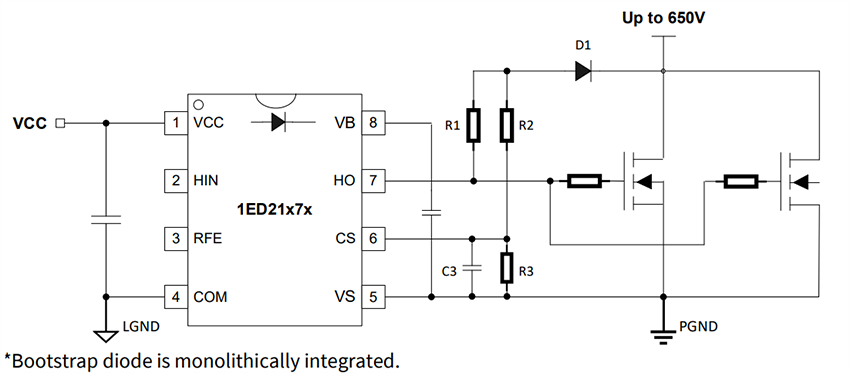
代表的なアプリケーション
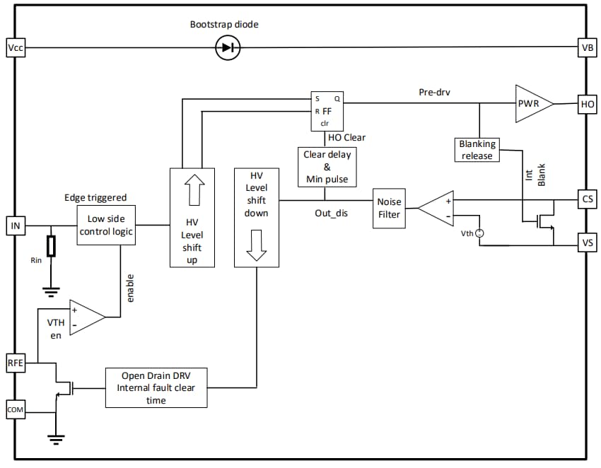
機能ブロック図
公開: 2025-04-14
| 更新済み: 2025-04-21
