Infineon Technologies 2000V CoolSiC™ MOSFET
Infineon Technologies 2000V CoolSiC ™ MOSFETは、トレンチMOSFETで、TO-247PLUS-4-HCCパッケージに収められています。これらのMOSFETは、要求の厳しい高電圧およびスイッチング周波数条件の下であっても、システムの信頼性を犠牲にすることなく電力密度を増大させるように設計されています。CoolSiC ™テクノロジーの低電力損失によって、.XT相互接続テクノロジーを使用した信頼性の向上が実現しており、さまざまなアプリケーションで最高の効率を実現できます。2000V MOSFETは、4.5Vのベンチマークゲート閾値電圧が特徴で、スイッチング損失が非常に低く抑えられています。一般的なアプリケーションには、エネルギー貯蔵システム、EV充電、ストリングインバータ、ソーラーパワーオプティマイザがあります。特徴
- 高電力密度
- 超低スイッチング損失
- クラス最高の熱性能を目的とした.XT相互接続テクノロジー
- 優れた信頼性
- 高効率
- 改善された湿度堅牢性
- ハード整流用の堅牢なボディダイオード
- 設計が簡単
仕様
- THT取付
- 4 PINS
- 2000VVDSS (最大1500VDC までの高 DC リンク システム用)
- 4.5Vベンチマークゲート閾値電圧
- 14mm沿面距離および5.5mmクリアランス距離が備わっている革新的なHCCパッケージ
- -55°C ~ 175°C動作温度範囲
- 175°C 接合部動作温度
アプリケーション
- エネルギーストレージシステム
- EV充電
- ストリングインバータ
- ソーラー電力オプティマイザ
ビデオ
ピン図
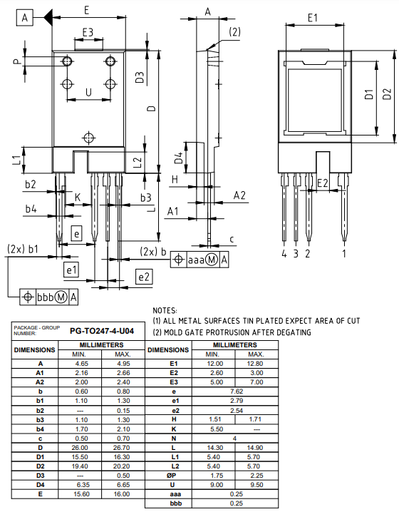
パッケージの外形
View Results ( 5 ) Page
| 部品番号 | データシート | Pd - 電力損失 | Qg - ゲート電荷 | Rds On - 抵抗におけるドレイン - ソース | Id - 連続ドレイン電流 | ターンオン時の標準遅延時間 | 標準電源切断遅延時間 | 上昇時間 | 下降時間 | 順方向トランスコンダクタンス - 最小 |
|---|---|---|---|---|---|---|---|---|---|---|
| IMYH200R012M1HXKSA1 | ![]() |
552 W | 246 nC | 16.5 mOhms | 123 A | 16 ns | 50 ns | 13 ns | 24 ns | 30 S |
| IMYH200R024M1HXKSA1 | ![]() |
576 W | 137 nC | 33 mOhms | 89 A | 19 ns | 40 ns | 11 ns | 16 ns | 20 S |
| IMYH200R050M1HXKSA1 | ![]() |
348 W | 82 nC | 64 mOhms | 48 A | 17 ns | 36 ns | 9 ns | 12 ns | 10 S |
| IMYH200R075M1HXKSA1 | ![]() |
267 W | 64 nC | 98 mOhms | 34 A | 7 ns | 26 ns | 5 ns | 7 ns | 6.5 S |
| IMYH200R100M1HXKSA1 | ![]() |
217 W | 55 nC | 131 mOhms | 26 A | 2 ns | 21 ns | 3 ns | 5 ns | 5 S |
公開: 2023-08-02
| 更新済み: 2023-08-29

