Infineon Technologies 6ED223xS12T EiceDRIVER™ゲートドライバIC
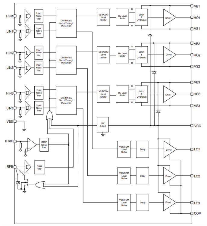
Infineon Technologies 6ED223xS12T EiceDRIVER ™レベルシフトゲートドライバICは、高電圧(最高1200V)、高速絶縁ゲートバイポーラトランジスタ(IGBT)で、3相アプリケーションを対象とした3つの独立した高圧側および低圧側リファレンス出力チャンネルが備わっています。独自のHVICおよびlatch-immune CMOS技術によって、高耐久性モノリシック構造が可能になります。ロジック入力は、最低3.3Vロジックまでの標準CMOSまたはTTL出力との互換性があります。また、このレジスタは、6つの出力すべてを終端する過電流保護(OCP)機能を派生させることもできます。3-phase 6ED223xS12T ICは、オープンドレイン障害信号を実現しており、過電流または低電圧シャットダウンを示します。RCネットワーク経由で外部プログラムされた遅延後、障害状態は自動的にクリアされます。出力ドライバは、ドライバのクロス導通を最小限に抑えるように設計された高パルス電流バッファ段が特徴です。浮動チャンネルは、最大1200Vで動作する高圧側構成でNチャンネルパワーMOSFETまたはIGBTを駆動できます。伝播遅延が整合されており、高周波アプリケーションでのHVICの使用を簡素化できます。
特徴
- Infineon Silicon-On-Insulator (SOI)テクノロジーと統合ブートストラップ ダイオード (BSD) を使用した三相ソリューション
- デッドタイムおよびクロス導通防止ロジック
- +1200Vオフセット電圧まで完全に動作
- 負の過渡電圧(最大-100V)、dV/dt耐性に対する耐性
- 両方のチャンネル向け低電圧ロックアウト
- ±5% ITGRIP閾値をともなう過電流保護
- 同じピンでの障害報告、自動障害クリア、イネーブル機能(RFE)
- 全チャンネルに対して伝搬遅延をマッチング
- 統合460nsデッドタイム保護
- シュートスルー(クロス導通)保護
- 小自己消費電流
- 高電力効率
- 高速で信頼性の高いスイッチング
- デバイスの信頼性の向上
- 低コストのブートストラップ電源
- 使いやすく、簡単な設計
- さまざまな入力オプション
- 標準ピン配列とパッケージ
アプリケーション
- 工業用ドライブ
- モーター制御
- 汎用インバータ
- 商業および住宅用エアコン
仕様
- 1200V定格
- 出力電流
- 0.35A ソース
- 0.65A シンク
- 出力ソース/シンク電流能力 +0.35A/‐0.65A
- 6-channels
- 周囲温度範囲: -40°C~+125°C
- 伝搬遅延
- ターンオン 700ns
- ターンオフ 650ns
- 入力範囲 10V~20V
- 3.3V、5V、15V入力ロジック互換
データシート
機能ブロック図
その他のリソース
公開: 2023-01-26
| 更新済み: 2023-07-03
