Infineon Technologies BTS3125EJデモボード
Infineon Technologies BTS3125EJデモボードは、BTS3125EJ高度に統合・温度保護されているMOSFET(HITFET™)スイッチの機能と性能を評価するように設計されています。このデモボードは、STATUS信号と周囲の回路が供給されているか否かを示す2個のLEDで構成されています。BTS3125EJデモボードは、統合プログラマブル・プッシュ・ボタンと診断機能が特徴です。このデモボードは、12V抵抗性、静電容量性、または誘導性負荷を駆動する能力があり、Arduino/XMC1100ブートキットとの互換性があります。BTS3125EJデモボードはRoHSに準拠しており、6V~31Vの供給電圧範囲内で動作します。特徴
- BTS3125EJ HITFET™スイッチの機能と性能を評価
- STATUS信号と周囲の回路が供給されているか否かを示すLED 1組
- 統合プログラマブルプッシュボタン
- 診断機能
- 12V抵抗性、静電容量性、または誘導性負荷を駆動
- Arduino/XMC1100ブートキットとの互換性あり
- RoHS準拠
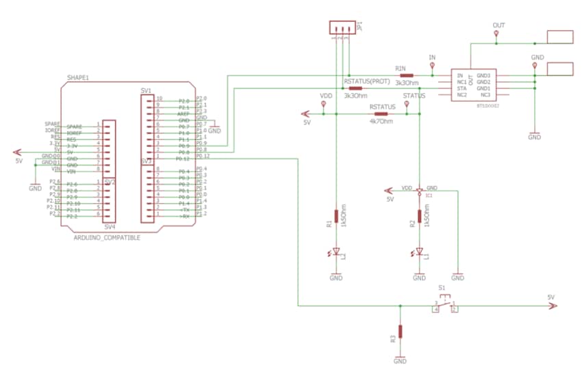
回路図
公開: 2019-12-10
| 更新済み: 2024-01-23
