Infineon DF4-19MR20W3M1HF_B11 EasyPACKモジュールは、工業およびソーラーアプリケーションの認定を取得しています。
特徴
- 電気的性能
- VDSS = 2000V
- IDN = 60A / IDRM = 120A
- 高電流密度
- 低誘導設計
- 機械的特徴
- 統合取付クランプによる堅牢な取付
- PressFITコンタクト技術
- 統合NTC温度センサ
アプリケーション
- IEC 60747、60749、60068の関連テストに準じた工業アプリケーション用に認定
- ソーラーアプリケーション
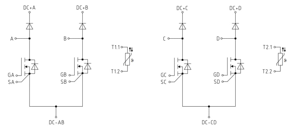
スキーム図
パッケージ外形
公開: 2022-10-20
| 更新済み: 2022-12-29

