Infineon Technologies EasyPACK™ CoolSiC™ Trench MOSFETモジュール
インフィニオン (Infineon)EasyPACK™CoolSiC™トレンチMOSFETモジュール PressFIT 接触技術と統合型 NTC(負の温度係数)温度センサを備えています。これらのモジュールは 1200V のドレイン-ソース電圧で動作し、低インダクタンス設計、低スイッチング損失、高電流密度を特長としています。EasyPACK™ モジュールは、統合されたマウンティングクランプにより堅牢な実装を実現し、CTI >600 のパッケージで提供されます。アプリケーションには、高周波スイッチングデバイス、DC/DC コンバータ、EV 向け DC 充電器が含まれます。Easy 2C シリーズにより、Infineon は SiC G2 技術と先進的な技術を用いて高出力設計を強化します。XT の特長.XTは、XT 技術は堅牢性を強化し、動作温度範囲を拡張します。一方、第2世代 SiC MOSFET 技術は、ゲート酸化膜の信頼性を向上させ、オン抵抗を低減します。Easy 2C シリーズにより、InfineonはSiC G2技術と高度な.XT機能を使用してハイパワー設計を強化し、要求の厳しいアプリケーションに対して卓越した性能を提供します。.XTは、.XT技術が強化された堅牢性と拡張された動作温度範囲をもたらす一方では、第2世代のSiC MOSFET技術は改善されたゲート酸化膜の信頼性と低減されたオン抵抗を実現します。
特徴
- ゲート酸化膜の信頼性が向上した第2世代 SiC G2 MOSFET技術
- Easy 2C™ ハウジング
- 動作温度の拡大と優れた堅牢性を実現する強化された.XT技術
- MHz範囲までの高周波動作を可能にする超低スイッチング損失
- 1200VのVDSS定格と卓越した電流処理能力
- 内蔵のNTC温度センサと最適化されたベースプレート設計による高性能な熱インターフェイス
- 寄生効果とEMIを最小限に抑制する低インダクタンスパッケージ設計
- 信頼性の高いはんだフリー接続を実現するPressFIT コンタクト技術
- 堅牢な機械的アセンブリを保証する内蔵の取り付けクランプ
- 沿面距離とクリアランス性能を強化するCTI >600のパッケージ定格
- パワーアプリケーション向けに最適化された高電流容量のピン構成
- 設計の柔軟性と故障耐性を提供する広い安全動作領域(SOA)
- IEC 60747、60749、60068テストプロトコルに準拠した産業規格に適合
アプリケーション
- 高周波スイッチングデバイス
- DC/DCコンバータ
- DC充電器(EV用)
ビデオ
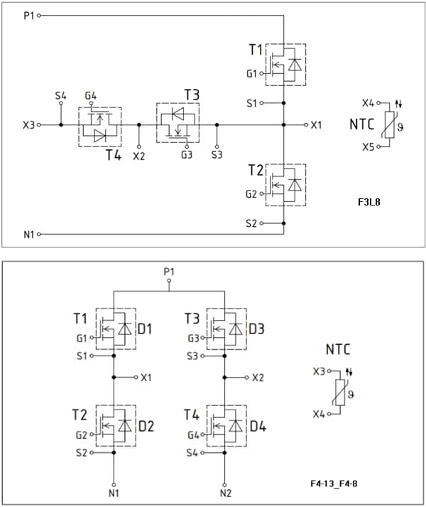
回路図
公開: 2025-09-30
| 更新済み: 2026-02-17
