Infineon Technologies EB 2ED2410 3D/3Mボード
Infineon Technologies EB 2ED2410 3M/3Dボードは、3Mマザー/3Dドータボードを採用して、フェイルセーフ/フェイル動作の電源スイッチを解決します。EB 2ED2410 3Mボードは、2ED2410-EMドライバ、マイクロコントローラへの制御インターフェイス、またはピン・ヘッダを通じてアクセス可能な波形発生器を備えています。EB 2ED2410 3D-1BCD、-1BCS、-1BCDP、-1BCSPボードは、NチャンネルMOSFET共通ドレイン、プリチャージ回路の有無に関係ない共通ソース構造を備えています。EB 2ED2410 3M/3Dボードは、電子ヒューズ機能とI-t電線保護を含む自動車や産業用アプリケーションに最適です。特徴
- マザーボードEB 2ED2410 3M:
- スイッチの自己保護/電線保護(例:短絡またはI-t電線保護)
- 障害識別(DGx ピンによる)
- スイッチ動作条件の監視(プリント基板温度とMOSFETゲート-ソース間リーク)
- 接続されたMOSFETの故障モード分析
- ドータボードEB 2ED2410 3D:
- NチャンネルMOSFET共通ドレイン
- プリチャージ回路の有無に関係ない共通ソース構造
- 簡単なプラグ・アンド・プレイのバナナ・コネクタ用に設計されています
マザーボードの概要
ドータボード-1BCDの概要
ドータボード-1BCDPの概要
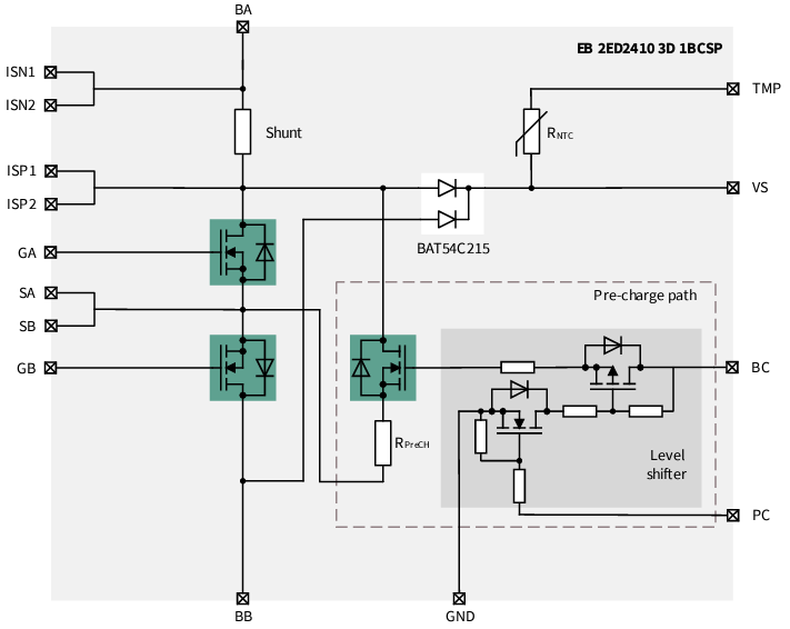
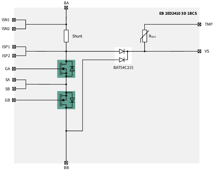
ドータボード-1BCSの概要
ドータボード-1BCSPの概要
公開: 2023-08-03
| 更新済み: 2023-08-24
