Infineon Technologies EiceDRIVER™ 1200Vハーフブリッジ・ゲートドライバ
Infineon Technologies EiceDRIVER™ 1200Vハーフブリッジゲートドライバは、ブートストラップダイオードを内蔵しており、IGBTまたはSiC MOSFETパワーデバイスの制御に使用します。SOI技術を搭載したこれらのドライバは、過渡電圧に対する優れた耐久性を備えています。EiceDRIVERの堅牢な設計により、動作温度と電圧範囲全体で寄生ラッチアップから保護します。EiceDRIVER™ゲートドライバICは、2.3Aソースおよび4.6Aシンク電流能力を特長とし、超高速過電流保護(OCP)を内蔵しています。アプリケーションには、産業用ドライブ、およびポンプ、ファン、商業/小型商業用エアコンのモーター制御用の組み込みインバータがあります。特徴
- 独自の薄膜シリコンオンインシュレータ (SOI) 技術
- ブーストラップ動作用に設計されたフローティングチャネル
- ブートストラップ電圧(VBノード)最大1225V
- 動作電圧(VSノード)最大1200V
- 負のVS過渡電圧耐性 100V
- 反復パルス 700ns
- ピーク出力ソース/シンク電流能力 2.3A/2.3A
- 内蔵の超高速過電流保護(OCP)機能
- ±5%高精度基準閾値
- 出力シャットダウンに対する1μs未満の過電流センス
- 内蔵の超高速・低抵抗のブートストラップダイオード
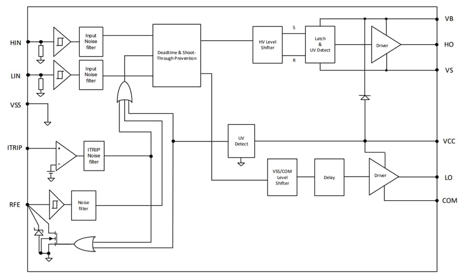
- 内蔵のデッドタイム、シュートスルー防止ロジック(2ED1322S12M)
- イネーブル、フォルト、プログラマブルフォールトクリアRFE入力
- VSピンで-8Vまでのロジック動作が可能
- チャネルごとに独立した低電圧誤動作防止機能(UVLO)
- 25V VCC 最高供給電圧
- 独立ロジック (VSS) と出力接地 (COM)
- クリアランス/沿面5mm以上
- HBM ESD 能力 2kV
仕様
- VS _ OFFSET =最大1200V
- Io+ / Io- =2.3A/4.6Aピーク
- VCC =標準13V ~ 20V
- 伝搬遅延 = 500ns(標準値)
- デッドタイム = 380ns(標準値)
アプリケーション
- 産業用ドライブ
- ポンプやファンのモーター制御用組込みインバータ
- 商業および軽商業用エアコン
2ED1322S12Mのブロック図
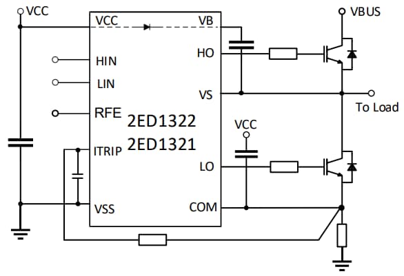
主なアプリケーション回路図
その他のリソース
公開: 2023-05-12
| 更新済み: 2023-06-02
