Infineon Technologies ESD5V5U5ULC ESD / Transient / Protection Array
Infineon ESD5V5U5ULC Ultra-Low Capacitance ESD / Transient / Surge Protection Array is a TVS Diode with an ESD rating of ±25kV (IEC61000-4-2) and Surge 6A (IEC61000-4-5). This Infineon TVS Diode offers low dynamic resistance of 0.2Ω, clamping voltages <9V for 8kV ESD. Infineon ESD5V5U5ULC allows for one array to protect 4 data lines + 1VBUS. This Infineon device is tailored for high-speed lines and is ideal for use in a variety of applications, including USB 2.0, 10/100/1000 Ethernet, and Firewire as well as various consumer products (MP3, DVD, and more).Features
- ESD rating ±25kV (IEC61000-4-2)
- Surge 6A (IEC61000-4-5)
- Low dynamic resistance of 0.2Ω, clamping voltages <9V for 8kV ESD
- For signal voltages up to 5.5Vmax
- Tailored for high-speed lines
- CL (I/O-GND)=0.45pF typ (1MHz)
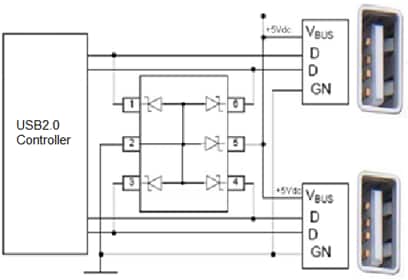
- One array protects 4 data lines + 1VBUS
Applications
- USB2.0 dual ports in consumer and computer applications.
- HDMI, DVI, LVDS
- 10/100/1000 Ethernet (depending on surge requirement).USB2.0 dual ports in consumer and computer applications.
HDMI, DVI, LVDS
10/100/1000 Ethernet (depending on surge requirement).
Application Example: USB2.0 Dual Ports
公開: 2012-05-08
| 更新済み: 2022-03-11
