The IR38060 can be comprehensively configured via PMBus and the configuration stored in internal memory. In addition, PMBus commands allow run-time control, fault status, and telemetry.
The IR38060 can also operate as a standard analog regulator without any programming and can provide current and temperature telemetry in an analog format.
The Infineon Technologies IR38060 PMBus SupIRBuck DC-DC Regulator is offered in a compact 5mm x 6mm PQFN-26 package, ideal for space-constrained applications.
特徴
- 内部LDOによりシングル16V動作が可能
- 出力電圧範囲:0.5V~0.875 PVin
- 0.5%正確リファレンス電圧
- RT/同期ピンまたはPMBusを使用した最大1.5MHzのプログラマブル・スイッチング周波数
- プレバイアススタートアップ搭載内部ソフトスタート
- 電圧モニタ機能による入力可能
- 真の差動電圧検出付きリモート検出アンプ
- 高速モードI2Cおよび400kHz PMBusインターフェイス
- シーケンシングおよび追跡可能
- 選択可能なアナログモードまたはデジタルモード
- 構成、制御、障害保護/遠隔計測用の66のPMBusコマンド
- 熱補償された電流制限と構成可能な過電流応答
- 最適の軽負荷時に高効率性
- スムーズクロッキング機能による外部同期
- 有効化が低い時でもはアクティブを保つ専用の出力電圧検出保護を
- 統合MOSFETおよびブートストラップダイオードを内蔵
- 動作ジャンクション温度: -40°C < Tj < 125°C
- 小型5x6mm PQFN
- 無鉛(RoHS準拠)
アプリケーション
- DC-DC
- Desktop and workstations
- Graphic boards
- Netcom and telecom
- Point of Load (PoL)
- Servers and storage
Typical Application Circuit
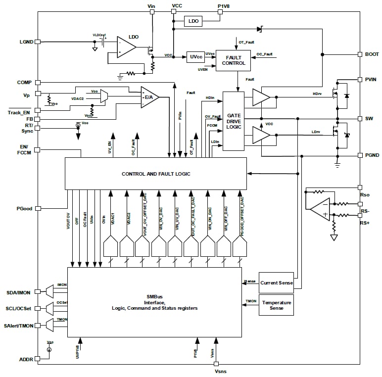
ブロック図
公開: 2016-09-30
| 更新済み: 2026-03-09

