Infineon Technologies MOTIX™ TLE9189ゲートドライバIC
Infineon Technologies MOTIX™ TLE9189 ゲートドライバICは、12VブラシレスDCモータ用の安全性が重要なアプリケーション用に設計された3相ICです。これらのドライバICは、AEC-Q100グレード0、ISO26262に準拠しており、将来的に従来の機械的な接続が不要になるブレーキバイワイヤシステムやステアバイワイヤシステムに最適です。 その他の特徴には、PWM入力と正確な電流センシングのための統合型電流センスアンプからなる従来のモータ制御コンセプトがあります。Infineon Technologies MOTIX TLE9189 ゲートドライバICは、独自の適応型MOSFET制御機能を搭載しており、EMC性能の向上、目標スイッチング時間の達成、電力損失の低減に貢献します。特徴
- 20kHz PWMでQGtot 200nCの6NチャンネルFETの切り替え用ハイパワー3相ブリッジドライバ
- 適応型MOSFETゲート制御による電流ソース制御出力段ジーエックス
- 負荷サイクル0%~100%で、無制限に調整可能
- ローサイドシャント電流測定用電流センスアンプ3点は、1%の高精度、1μsの高速整定時間を備えています。
- 12Vバッテリ供給システム用に完全な機能を備えた指定電源電圧範囲4.2V~36V
- モータブレーキ機能を含む設定可能な故障反応
- シリアル・ペリフェラル・インターフェイス(SPI)による拡張モニタリングおよび診断機能
- ISO26262 ASIL-Dに従い、開発済
- 追加の安全状態制御端子 SOFF_N
- 高電圧定格デジタル入出力ピン
- ASIL-Dに準じた安全要件のためのISO 26262 Safety Element out of Context
- マイクロコントローラ・インターフェイスへの安全バリア
- マイクロコントローラ監視用SPIウィンドウ・ウォッチドッグ
- 外部FETのパッシブ・クランピング
- 低静止電流モード
- 最適化されたピン配列
- 環境配慮型製品(RoHS準拠)
- AEC認定
アプリケーション
- 電動パワーステアリング(EPS)
- 電動ブレーキブースター(EBB)
- 機能安全関連のBLDC、またはPMSMモータドライブ
ビデオ
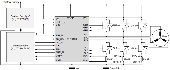
ブロック図
公開: 2024-11-04
| 更新済み: 2025-09-26
