Infineon Technologies OptiMOS™デュアルチャンネル・スーパークールパワーMOSFET
Infineon Technologies OptiMOS™デュアルチャンネルスーパーコールパワーMOSFETは、スーパーSO8パッケージに収められたNチャンネルパワートランジスタで、デュアルクール機能により熱性能を向上させています。Infineon OptiMOSパワーMOSFETは、効率性、電力密度、費用対効果を高めるように開発されました。これらのデバイスは、低いオン状態抵抗(RDS(on))と低い逆回復電荷(Qrr)を特長としており、電力密度を高めるとともに、堅牢性とシステムの信頼性を向上させます。+175°Cの定格は、より高い接合部動作温度でのより大きな出力を可能にするか、同じ接合部動作温度での長寿命を実現する設計をサポートします。特徴
- 接合部上部の熱抵抗が最低クラスの両面冷却パッケージ
- 高速スイッチングMOSFET(SMPS用)
- 同期整流用に最適化されたテクノロジー
- 低オン状態抵抗RDS(on)
- 低逆回復電荷
- 100%アバランシェ試験済み
- 動作温度範囲:-55.0°C~+175.0°C
- 標準スーパーSO8フットプリントに適合
- OptiMOS 5テクノロジー
- 鉛フリーメッキ加工、RoHS準拠
- IEC61249-2-21準拠のハロゲンフリー
- ソース相互接続の拡大のおかげではんだ接合の信頼性が向上
アプリケーション
- スイッチドモード電源
- 誘導ワイヤレス充電
- 負荷スイッチ
- サーバ供給整流
- バッテリ管理システム
- LVドライブ
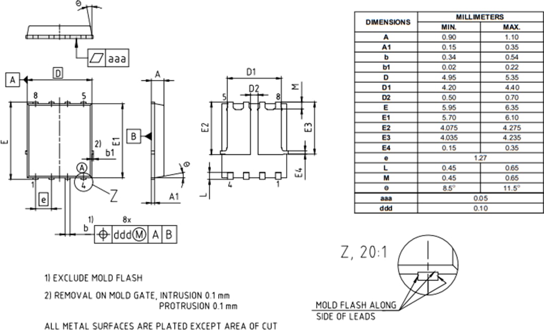
パッケージ外形
View Results ( 4 ) Page
| 部品番号 | データシート | Vds - ドレイン - ソース間破壊電圧 | Rds On - 抵抗におけるドレイン - ソース | Qg - ゲート電荷 | Pd - 電力損失 | 上昇時間 | 下降時間 |
|---|---|---|---|---|---|---|---|
| BSC072N04LDATMA1 | ![]() |
40 V | 7.2 mOhms | 52 nC | 65 W | 4 ns | 25 ns |
| BSC155N06NDATMA1 | ![]() |
60 V | 15.5 mOhms | 29 nC | 50 W | 2 ns | 9 ns |
| BSC076N04NDATMA1 | ![]() |
40 V | 7.6 mOhms | 38 nC | 65 W | 4 ns | 7 ns |
| BSC112N06LDATMA1 | ![]() |
60 V | 11.2 mOhms | 55 nC | 65 W | 3 ns | 7 ns |
公開: 2020-04-14
| 更新済み: 2024-10-15

