特徴
- 出力電流調整トリマ
- 電力ディレーティング回路図
- コールドクランクサバイバル回路
- 効率85%以上で最大21Wを供給
- 最大出力電流: 1A
- 出力電圧範囲6V~23V
- 供給電圧範囲:8V~27V
- AEC認定済
- RoHS準拠
アプリケーション
- 昼間点灯ライト
- ハイビーム
- ロービーム
- フルヘッドランプ
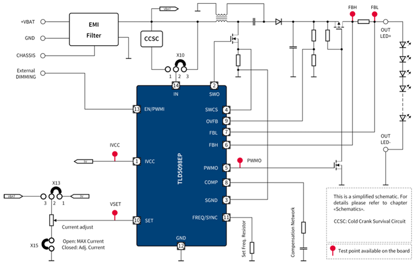
簡略図
デフォルト設定
電流調整
電力ディレーティング
コールドクランク・サバイバル回路
公開: 2025-01-31
| 更新済み: 2025-02-13

