Infineon Technologies TLD5099EP_VSPC電圧モードSEPIC評価ボード
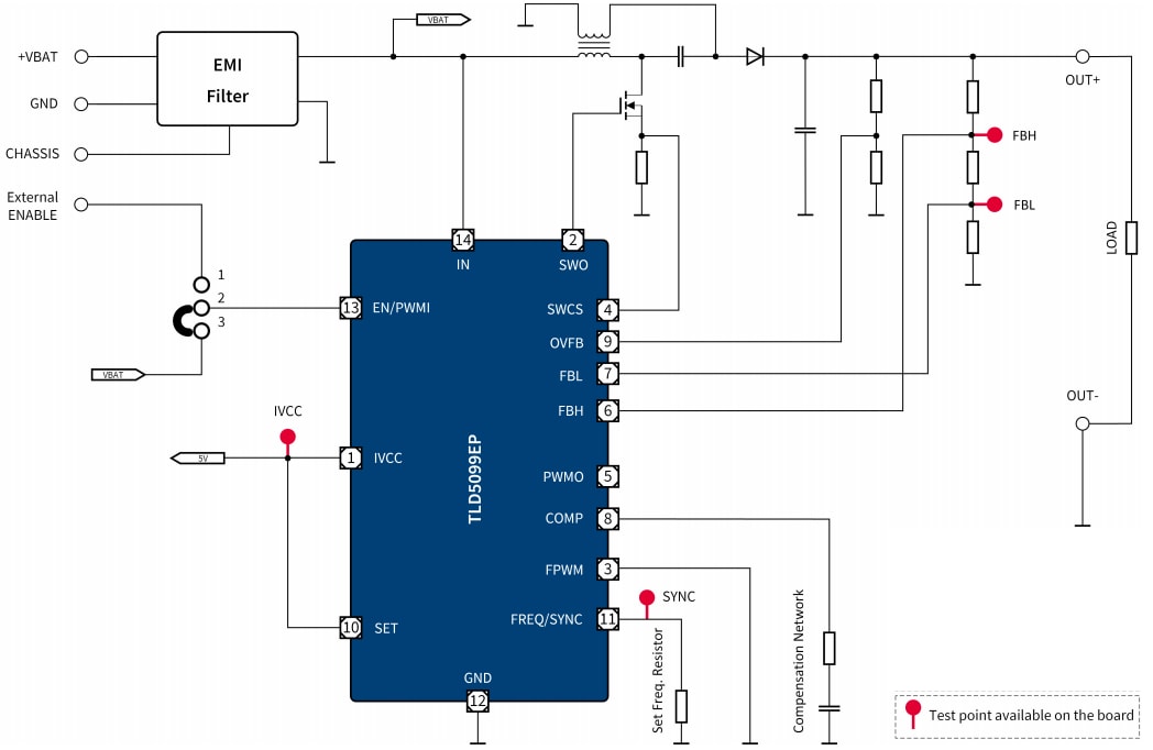
Infineon Technologies TLD5099EP_VSPC電圧モードSEPIC評価ボードは、ミッドパワーアプリケーションを対象とした電圧モードSEPICトポロジで構成されているTLD5099EPコントローラの評価に使用するように設計されています。この評価ボードは、85%以上の効率性をともない負荷に対して最大12Wを供給します。電流モード・シャントに接続されているSWCSピンは、ラフ・リミッタとして機能し、アース電流への短絡を約3.6Aに制限します。この評価ボードは、電圧出力が一定のDC-DC電源として実装できます。代表的なアプリケーションには、車載と照明があります。特徴
- 電圧モードSEPICトポロジで構成されたTLD5099EPの評価を実施
- 電圧出力が一定のDC-DC電源
- アース電流への短絡は、電流モード・シャントに接続されているSWCSピンによって3.6Aに制限
- 85%以上の効率性で負荷に最大12Wを供給
- 8V~27V供給電圧範囲
- 12Vの出力電圧
簡略図
性能グラフ
公開: 2020-08-10
| 更新済み: 2024-11-15
