Infineon Technologies TLD5191IVREG_EVAL評価用ボード
Infineon Technologies TLD5191IVREG_EVAL評価ボードは、TLD5191ES同期MOSFET HブリッジDC-DCコントローラを評価します。この評価ボードは、そのハイパワー、高効率バックブーストアーキテクチャが特徴です。TLD5191IVREG_EVAL評価ボードは、EMC最適化されたデバイスで、定電流(LED)および定電圧安定化を備えています。この評価ボードを使用すると、高い効率性とEMI排出量削減によるコンパクトな設計が可能になります。TLD5191IVREG_EVAL評価ボードは、最大出力電流6A、電源電圧範囲6V~35V、出力電圧範囲5V~47Vが特徴です。代表的なアプリケーションには、自動車アプリケーション、USB等の定電流または電圧アプリケーション用の汎用DC-DC、モバイルワイヤレス充電器、インフォテインメント用の多目的事前安定化が含まれます。特徴
- 定電流(LED)と定電圧の安定化
- ハイパワー、高効率バックブーストアーキテクチャ
- デジタル調光用組み込み型PWMエンジン
- EMC最適化デバイス(スペクトラム拡散)
- 高効率でコンパクトな設計が可能
- EMI排出量を削減
- 信頼性の高い保護による簡易負荷診断
仕様
- 出力電流: 6A最大
- 電源電圧範囲:6V~35V
- 出力電圧範囲: 5V~47V
- スイッチング周波数: 385kHz
- PWM周波数275Hz(組み込み型PWMエンジン対応)
アプリケーション
- 自動車アプリケーションでのハイパワーLEDの駆動用の特別設計
- 自動車用外装照明:完全LEDヘッドランプアセンブリ(ロービーム、ハイビーム、マトリックスビーム、ピクセルライト)
- リアランプアセンブリ用電圧プリレギュレータ
- USB、モバイルワイヤレス充電器、インフォテインメント用多目的事前安定化等の定電流または定電圧アプリケーションを対象とした汎用DC-DC
PCBレイアウト
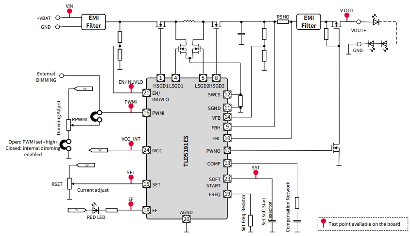
定電流モード(LEDドライバ)での簡略図
その他の資料
公開: 2023-11-15
| 更新済み: 2024-01-26
