Infineon Technologies DCモータ・アプリケーション用TLE7209-3R 7A Hブリッジ
Infineon Technologies TLE7209-3R 7A Hブリッジは、DCモータ・アプリケーションを対象としており、安全性が重要なアプリケーションにおいて、および極限環境条件において、DCおよびステッパ・モータを制御するように設計されています。TLE7209-3R Hブリッジは、過温度および短回路から保護されています。Hブリッジには、低電圧ロックアウトがあり、すべての供給電圧「VS」(メインDC電源)を対象としています。誤動作が発生すると常に、出力部はトライステートになります。このデバイスは、DMSピンによる構成が可能です。接地を行うと、シンプルなエラーフラグ経由で診断情報を表示します。VCC = 5Vが供給されている場合は、SPIモードで作動します。このモードでは、詳細な故障診断をシリアルインターフェイスから利用できます。特徴
- 動作供給電圧: 5V~28V
- 標準RDSon = 各出力トランジスタ(@ 25°C)向け150mΩ
- 連続DC負荷電流5A(TC < 100°C)
- 出力電流制限@typ. 6.6A ± 1.1A
- 8A以上の出力電流の短絡シャットダウン
- 論理入力TTL/CMOS互換
- 出力スイッチング周波数: 最大30kHz
- 0.5-2kHz用に最適化された立ち上がりおよび立ち下がり時間
- 過熱保護
- 短絡保護
- 低電圧無効化機能
- SPIまたはステータスフラグ(構成可能)による診断
- 入力の有効化と無効化
- PG-DSO-20-65パワーパッケージ
- 環境配慮型製品(RoHS準拠)
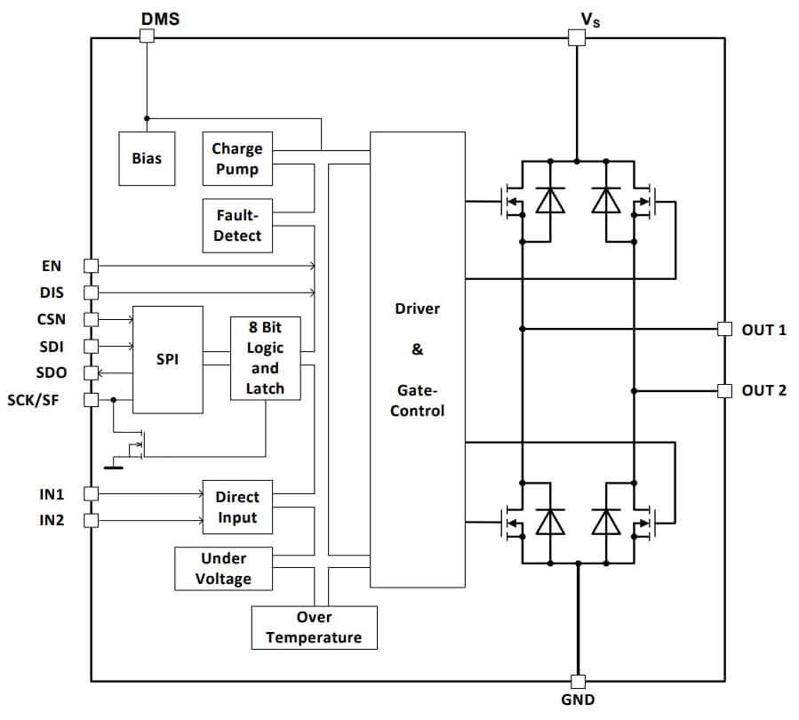
ブロック図
公開: 2018-06-19
| 更新済み: 2024-12-10
