Infineon Technologies TLE7x低圧側パワースイッチ
Infineon Technologies TLE7x低圧側パワースイッチは、8チャンネル対応スイッチで、車載および産業アプリケーションにおいてリレーとLEDを制御するように設計されています。これらのスイッチは、16ビット対応シリアル・ペリフェラル・インターフェイスが特徴で、制御と診断、デイジーチェーン機能、過電流ラッチOFF、熱シャットダウン・ラッチOFF、過電圧保護を目的としています。TLE7xスイッチの診断機能に は、ON状態での過負荷検出、OFF状態でのオープン負荷検出、出力ステータスモニタ、入力ステータスモニタがあります。TLE7xスイッチに は、アース喪失の保護、バッテリ喪失の保護、静電放電(ESD)保護も備わっています。これらのAEQ認定およびRoHS準拠のスイッチは、SPIDER+ファミリのスイッチに属しています。これらのスイッチは、リレー、LED、モータ、照明、加熱、モータ駆動、エネルギー、配電といった車載または産業アプリケーションの駆動に最適です。特徴
- 制御と診断のための、シリアル・ペリフェラル・インターフェイス
- デイジーチェーン機能(8ビットSPIデバイスとの互換性もあるSPI)
- 入力マッピング機能を備えたCMOS互換並列入力ピン2本
- クランキング機能最低VS = 3V(LV124をサポート)
- 3.3Vおよび5Vマイクロコントローラとの互換性があるデジタル供給電圧範囲
- 自己消費電流が非常に小さい(アイドルピンの使用)
- リンプホームモード(IDLEピンとINピンの使用で)
- 環境配慮型製品(RoHS準拠)
- AEC認定
- 保護機能:
- アースとバッテリに対する短絡保護
- 過負荷
- 過温度
- 過電圧保護
- 静電放電保護(ESD)
- 診断機能:
- SPIレジスタ経由のラッチ診断情報
- ON状態での過負荷検出
- 出力ステータスモニタ機能を使用したOFF状態でのオープン負荷検出
アプリケーション
- TLE75008:
- 駆動リレー、LED、モータ
- 車載または産業アプリケーション:
- 照明、加熱、モータ駆動、エネルギー、電力分配
- TLE7240SL:
- あらゆる種類の抵抗性負荷、誘導性負荷、容量性負荷
- 車載アプリケーションでの駆動リレー
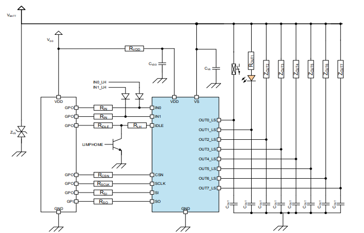
TLE75008-ESDのアプリケーション図
TLE75008-ESDのブロック図
その他の資料
公開: 2020-09-01
| 更新済み: 2024-11-22
