Infineon Technologies TLE8110EDパワースイッチIC
Infineon TLE8110EDパワースイッチICは、スマートパワー技術(STP)による10チャンネル・ローサイドスイッチで、シリアル・ペリフェラル・インターフェイス(SPI)および10個のオープンドレインDMOS出力段が備わっています。この出力段は、パルス幅変調(PWM)用途向けのパラレル入力ピンまたはSPIインターフェイスを介して制御されます。TLE8110EDには、各出力チャネルにルーティングされる並列入力ピンが10本装備されており、PWMによって駆動される負荷に対してチャンネルを制御できます。このパワースイッチは、中央クランピング構造、16ビットSPIインターフェイス、コンパクトな制御、安全な通信、過電圧、過温度、ESD保護が特徴です。TLE8110EDパワースイッチICは、車載および産業用アプリケーション向けに設計された組み込み保護機能によって保護されています。特徴
- 過電圧、過温度、ESD保護
- 全チャンネルの直接並列PWM制御
- 安全な通信(SPIおよびパラレル)
- 小型制御と呼ばれる効率的な通信モード
- 3.3Vおよび5VマイクロコントローラI/Oポートとの互換性あり
- チャンネルの効率性の高い並行使用のための、clampSAFEと呼ばれる中央クランプ構造
- 環境配慮型製品(RoHS準拠)
- 完全無鉛
- AEC適合
アプリケーション
- 車載用パワースイッチ
- 産業システム・スイッチングソレノイド
- リレー
- 抵抗性負荷
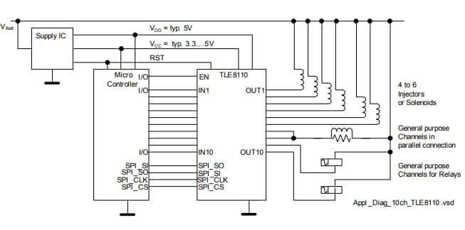
TLE8110EDのブロック図
公開: 2018-05-25
| 更新済み: 2022-08-08
