Infineon Technologies TLE9351BVSJハイスピードCAN FDトランシーバ
Infineon Technologies のTLE9351BVSJ High-Speed CAN FDトランシーバは、ネットワーク内で生成された干渉からマイクロコントローラを保護するよう設計されています。このトランシーバは非常に低い電磁放射(EME)レベルを提供し、共通モードチョークを必要とせずにEMCテストリミットを満たします。TLE9351BVSJトランシーバは、最大5 Mbit/sのデータ伝送レートとCAN FDデータフレームをサポートしています。このトランシーバには、OEM使用向けに最適化されたフィルタ時間を持つバスウェイクアップパターン(WUP)機能が含まれています。TLE9351BVSJトランシーバは、エンジン制御ユニット(ECU)、ボディコントロールモジュール(BCM)、トランスミッション制御ユニット(TCU)、および電動パワーステアリングで使用されています。TLE9351BVSJトランシーバは、過熱保護、TxDタイムアウト機能、<18μA @5V STB暗電流が特長です。このトランシーバは、ISO 11898-2:2016およびSAE J2284-4/-5規格に準拠しており、VeLIO (Vehicle LAN Interoperability and Optimization) 試験要件に準じた認証を取得済みです。TLE9351BVSJトランシーバは、ISO 7637およびSAE J2962-2規格に準拠した自動車過渡(電圧)からの保護機能を搭載しています。
特徴
- OEM用に最適化されたフィルタ時間が備わったバスウェイクアップパターン(WUP)機能
- 消費電流を最小限に抑えたスタンバイモード
- 送信機の供給VCC はスタンバイモードで無効にでき、静止電流は最小限
- TXDタイムアウト機能
- パワーダウン状態でのCANバスリーク電流が非常に小さい
- 温度過昇保護
- マイクロコントローラインターフェイス(3.3Vまたは5V)への電圧適応のためのV IO 入力
- 最速5Mbit/sまでのCAN FDデータフレームのループ遅延対称性
- 車両LANの相互運用性と最適化(VeLIO)テスト要件に準拠した認定を取得
- 優れたESD堅牢性
- ISO 7,637およびSAE J2962-2規格に準拠した自動車トランジェントに対する保護
- RoHS準拠およびハロゲンフリーのPG-DSO-8パッケージで入手可能
アプリケーション
- エンジン制御ユニット(ECU)
- ボディ制御モジュール (BCM)
- トランスミッション制御装置(TCU)
- 電動パワーステアリング
- シャーシ制御モジュール
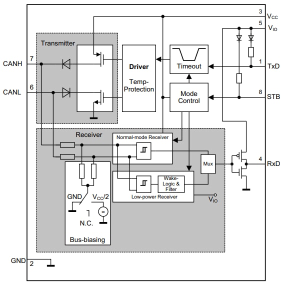
TLE9351BVSJブロック図
公開: 2024-03-11
| 更新済み: 2025-02-12
