Infineon Technologies TLE9351SJ高速CAN FDトランシーバ
Infineon Technologies TLE9351SJ高速CAN FDトランシーバは、ネットワークの内部で発生する干渉からマイクロコントローラを保護するように設計されています。このトランシーバは、CANHおよびCANL出力信号の高対称性に基づいた広い周波数範囲内での低レベルの電磁放射(EME)に対応します。TLE9351SJトランシーバは、コモンモードチョークなどの外部回路を追加することなく、厳しいEMC(電磁適合性)試験の制限を満たします。このトランシーバは、優れたESD堅牢性、過熱保護、静止電流を最小化するスタンバイモードが特長です。 レシーバの最適化された遅延対称性と組み合わされた最適化されたトランスミッタ対称性によって、TLE9351SJトランシーバはCANデータフレームをサポートできます。このデバイスは、ネットワークのサイズおよび固有の寄生効果に応じて最速5MBpsまでのデータ伝送レートをサポートしています。TLE9351SJトランシーバは、車載および産業アプリケーションでの使用に最適です。特徴
- パワーダウンモードで非常に低いCANバスのリーク電流
- 非常に低い電磁放射(EME)
- 車両LAN相互運用性および最適化(VeLIO)試験要件に準じた認証を取得済
- 最速5MBit/sまでのCAN FDデータフレームのループ遅延対称性
- 世界中のOEMで使用できるようにフィルタ時間を最適化したバス・ウェイクアップ・パターン(WUP)機能
- 優れたESD堅牢性
- TXDタイムアウト機能
- RoHS準拠
- 温度過昇保護
- 自己消費電流を最小限に抑えたスタンバイモード
アプリケーション
- エンジン制御装置(ECU)
- ゲートウェイモジュール
- ボディコントロールモジュール(BCM)
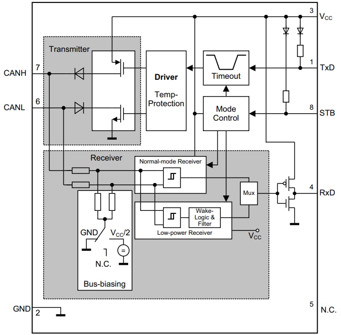
ブロック図
アプリケーションのスキーム図
公開: 2021-09-21
| 更新済み: 2024-06-10
