Infineon Technologies TLE985x HブリッジMOSFETドライバIC
Infineon Technologies TLE985x HブリッジMOSFETドライバICは、シングルチップ2相モータ・ドライバで、Arm® Cortex® M0コアが統合されており、NFETドライバが搭載されています。これらのICは、4つの完全統合NFETドライバ、低電圧動作を実現できる充電ポンプ、プログラマブル電流とともに、電流スロープ制御が特徴です。完全に統合されたNFETドライバ4台が統合されており、4つの外部パワーNFETから2相モータを駆動するように最適化されています。TLE985x ICは、リードレスVQFN-48パッケージになっており、ボードのスペースを節約できます。これらのICは、オンチップ・リニア電圧レギュレータを活用することで外部負荷に電力を供給します。TLE985x ICの周辺機能セットには、電流センサ、PWM制御用キャプチャ比較ユニットと同期した逐次比較型ADC、16ビットタイマが搭載されています。また、これらのICには、統合LINトランジスタも搭載されており、多数の汎用I/Oとともにデバイスへの通信が可能になります。一般的なアプリケーションには、ウィンドウリフト、サンルーフ、電気ファン、電気ポンプ、LIN対応モータ制御があります。
特徴
- 最大40MHzでの32ビットArm Cortex M0コア
- 単電源: 5.5V~28V
- 96KBフラッシュ
- 最大4KB RAM
- 1x LINトランシーバ
- 2x UART
- 2x SSC
- 充電ポンプとPWM発生器が搭載された2相ブリッジドライバ
- 1x ローサイド・シャント電流センス・アンプ
- 1x 10ビットADC/12チャンネル
- 1x 8ビットADC/9チャンネル
- 9x 16ビット・タイマ
- 1x 24ビットタイマ
- 温度範囲: -40°C~150°C
- 超小型アプリケーション・フットプリント(VQFN-48パッケージ)
アプリケーション
- ウィンドウ・リフト
- サンルーフ
- 電気ファン
- 電気ポンプ
- 単相ポンプとファン
- LIN対応モータ制御
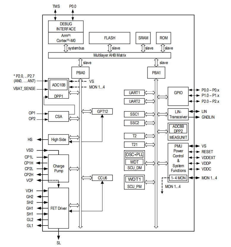
ブロック図
TLE985x HブリッジMOSFETドライバICの概要
公開: 2019-04-04
| 更新済み: 2023-11-30
