Infineon Technologies TLS203B0LDVデモボード
Infineon Technologies TLS203B0LDVデモボードは、TLS203B0低ノイズ、マイクロパワー、低ドロップアウト電圧レギュレータを評価するように設計されています。このデバイスは、270mVの低ドロップアウト電圧をともなって300mAの出力電流を供給できます。30μAという低自己消費電流によって、バッテリ駆動システムでの使用に最適です。TLS203B0LDVボードは、1.8V~20Vの広い入力電圧範囲および1.22V~12Vの間で調整できる出力電圧範囲が特徴です。代表的なアプリケーションには、インフォテインメント、メモリ、CPU、カメラ、大電流ポストレギュレータ、運転支援システムがあります。特徴
- TLS203B0電圧レギュレータを評価
- 低ノイズ最低24µV
- 1.8V~20Vワイド入力電圧範囲
- 270mV低ドロップアウト電圧
- 1.22V~12Vで調整できる出力電圧
- 300mA電流能力
- 30μA低自己消費電流
- 非常に低いシャットダウン電流<1μA
- ≥3.3μF出力コンデンサで安定的
- PG-DSO-8露出パッドおよびPG-TSON-10露出パッドパッケージ
- AEC認定済
- RoHS準拠
アプリケーション
- インフォテインメント:
- カメラ
- ディスプレイ電源
- メモリ
- CPU
- FPGAコア供給
- 高電流ポストレギュレータ
- 運転支援システム:
- レーダー
- カメラ
ボードの概要
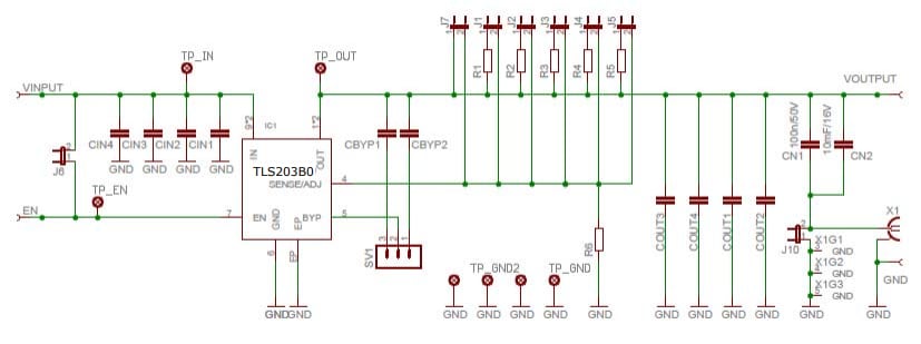
回路図
公開: 2019-12-10
| 更新済み: 2024-02-12
