Infineon Technologies TLS205B0LDVデモボード
Infineon Technologies TLS205B0LDVデモボードは、TLS205B0低ノイズ、マイクロパワー、低ドロップアウト電圧レギュレータを評価するように設計されています。このデバイスは、300mVの低ドロップアウト電圧をともなって500mAの出力電流を供給できます。30μAという低自己消費電流によって、バッテリ駆動システムでの使用に最適です。TLS205B0LDVボードは、1.8V~20Vの広い入力電圧範囲および1.22V~12Vの間で調整できる出力電圧範囲が特徴です。代表的なアプリケーションには、インフォテインメント、アラーム、ボディモジュールとゲートウェイ、車載用の一般的なECU、2輪ECUがあります。特徴
- 低ノイズ最低24µV
- TLS205B0電圧レギュレータを評価
- 1.8V~20Vワイド入力電圧範囲
- 320mV低ドロップアウト電圧
- 1.22V~12Vで調整できる出力電圧
- 300mA電流能力
- 30μA低自己消費電流
- 非常に低いシャットダウン電流<1μA
- ≥3.3μF出力コンデンサで安定的
- PG-DSO-8露出パッドおよびPG-TSON-10露出パッドパッケージ
- AEC認定済
- RoHS準拠 - グリーン製品
アプリケーション
- 車載用一般ECU
- 2輪車ECU
- ボディモジュールとゲートウェイ
- インフォテインメント、アラーム、ダッシュボード
ボードの概要
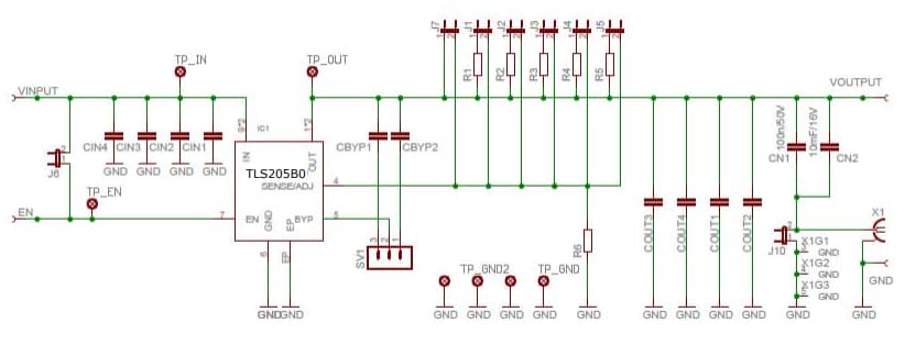
回路図
公開: 2019-12-12
| 更新済み: 2024-02-12
