Infineon Technologies TLT9251VLEハイスピードCAN FDトランシーバ
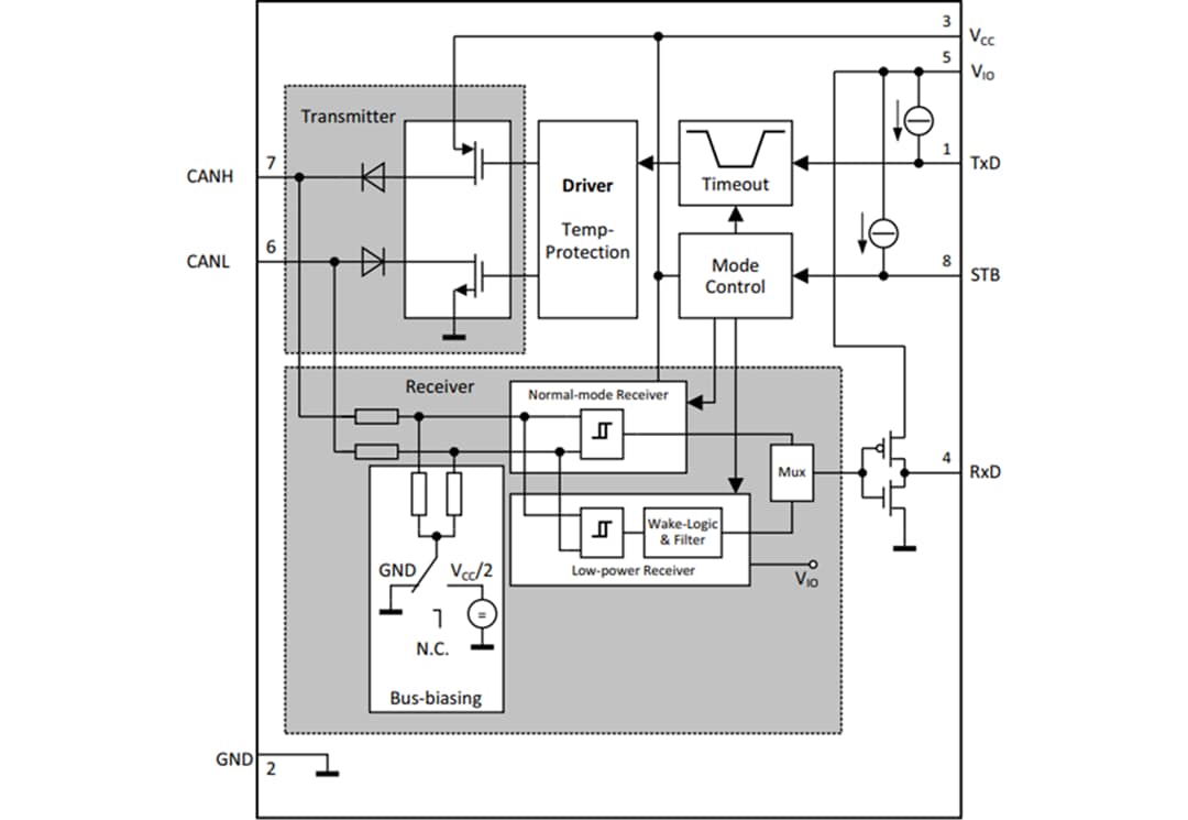
Infineon Technologies TLT9251VLEハイスピードCAN(コントローラ・エリア・ネットワーク)FD(フレキシブル・データレート)トランシーバは、最速5MBまでの柔軟性に富んだデータレートが特徴で、車載アプリケーションを対象としたAEC-Q100 Grade 0認定を取得しています。TLT9251VLEトランシーバは、それぞれISO 11898-2(2016)物理層仕様の要件に適合するように設計されており、SAE(自動車工学協会)規格J1939およびJ2284にも準拠しています。TLE9250は、物理バス層とHS CANプロトコルコントローラとの間のインターフェイスとして、ネットワークの内部で生成される干渉からマイクロコントローラを保護します。非常に高いESD堅牢性と高RF耐性によって、保護デバイスを追加することなく車載アプリケーションに使用できます。CANHおよびCANL出力信号の高い対称性に基づいて、TLT9251VLEは、広い周波数範囲内で非常に低レベルの電磁放射(EME)を実現しています。
最適化されたトランスミッタ、レシーバの遅延シンメトリによって、TLT9251VLEは、CAN FEデータフレームをサポートできます。ネットワークのサイズとそれに伴う寄生効果に応じて、最大5MBit/sのビットレートをサポートします。
専用の低消費電力モードは、デバイスの電源投入中の非常に低い自己消費電流を実現しています。待機モードでは、VIOでの標準的な自己消費電流は10µA以下です。その一方で、HS CANバスのバス信号によって、デバイスをウェイクアップさせることができます。
過熱保護、出力電流制限、またはTXDタイムアウト機能といったフェイルセーフ機能は、修復不可能な損傷からTLT9251VLEと外部回路を保護します。
Infineon Technologies TLT9251VLEは、小型リードレスPG-TSON-8パッケージでご用意があります。このデバイスは、自動光学検査(AOI)のはんだ接合要件をサポートしており、RoHS準拠およびハロゲンフリーです。
特徴
- ISO 11898-2 (2016), SAE J2284-4, SAE J2284-5に完全準拠
- Infineonの車載品質
- 高温ミッションプロファイルのAEC-Q100 Grade 0(Ta: -40°C~+150 C)認定
- CAN FDデータフレーム向けの保証されたループ遅延対称形最大5Mbit/s
- 非常に低い電磁放射(EME)によって、コモンモードチョークなしでの使用が可能
- μCインターフェイスへの電圧適応を目的としたVIO入力(3.3V、5.0V)
- 世界中のOEMの使用を目的にフィルタ時間が最適化された(0.5µs~1.8µs)バスウェイクアップ・パターン(WUP)機能
- 自己消費電流を最小限に抑える待機モード
- さらなる省自己消費電流を目的に待機モードでOFFにできるトランスミッタ供給VCC
- RxD出力でのウェイクアップ表示
- 電磁耐性(EMI)のための広いコモンモード範囲
- 優れたESD堅牢性±8kV(HBM)および±11kV(IEC 61000-4-2)
- VCCおよびVIO供給での拡張供給範囲
- アース、バッテリ、VCC、VIOへのCAN短絡防止
- TXDタイムアウト機能
- パワーダウン状態での非常に低いCANバス漏洩電流
- 過熱保護
- ISO 7637およびSAE J2962-2規格に準拠した自動車トランジェントに対する保護
- 環境配慮型製品(RoHS準拠)
- 自動光学的検査(AOI)用に設計された小型リードレスTSON8パッケージ
アプリケーション
- カー・パワートレインと伝送アプリケーション
- ゲートウェイモジュール
- ボディコントロール・モジュール(BCM)
- エンジン制御装置(ECU)
ブロック図
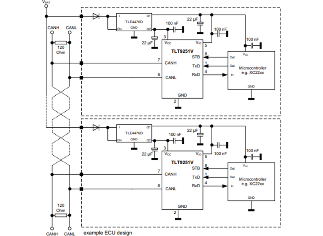
標準アプリケーション回路
パッケージ外形図
公開: 2020-08-18
| 更新済み: 2025-03-24
