Infineon Technologies VCSEL レーザーダイオードドライバ IC
インフィニオン VCSEL REAL3™ レーザーダイオードドライバ ICは、高速スイッチングレーザーダイオードや LED 用 飛行時間(ToF)イメージセンサ用のためのコスト効率に優れた小型フットプリント IC です。電気から光電力への高効率な変換を実現します。インフィニオン VCSEL レーザーダイオードドライバICは、REAL3 iToFイメージセンサファミリの一部ですが、LDS(レーザー距離センサ)やLiDarシステムにも使用できます。AEC-Q100 グレード 2バージョンは、車載グレードアプリケーションを対象とした高変調周波数に対応しています。特徴
- コンシューマー用アプリケーション
- 高速スイッチング
- LVDS 入力監視
- サーマル シャットダウン
- 低電源電圧
- 自動車バージョン
- 最大レーザー電流:10A
- 最大レーザー電圧:14V
- 立ち上がり/立ち下がり時間:<>
- 変調周波数:130MHz
アプリケーション
- コンシューマー用アプリケーション:
- 間接的な飛行時間型カメラとシステム
- LDS(レーザー距離センサ)システム
- LiDAR システム
- モバイルデバイス
- ロボティクス
- スマートホームカメラとセキュリティ
- 自動車車載バージョン:
- インキャビンセンシング
- ジェスチャーコントロール
- 乗員検出と分類
- ドライバ監視システム(DMS)
- セキュアなフェイス認証
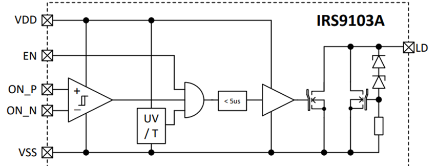
ブロック図
車載バージョンのブロック図
View Results ( 3 ) Page
| 部品番号 | データシート | 説明 |
|---|---|---|
| IRS9102CXTSA1 | ![]() |
レーザドライバ Laser Driver for VCSELs and LEDs |
| IRS9103AXTSA1 | ![]() |
レーザドライバ REAL3 Laser diode driver for automotive |
| IRS9100CXTSA1 | ![]() |
レーザドライバ 3DI |
公開: 2025-09-30
| 更新済み: 2025-10-15

