Infineon Technologies XDPS2201ハイブリッド・フライバック・コントローラ
Infineon Technologies XDPS2201ハイブリッド・フライバック・コントローラは、非対称ハーフブリッジ制御に基づいています。このハーフブリッジは、シリアルコンデンサと連動して従来のフライバック・トランスを駆動します。フライバック・トランスの主なインダクタンスとシリアル・コンデンサは、ゼロ電圧スイッチング(ZVS)の達成に使用される共振タンクを構築しています。XDPS2201スイッチングコントローラは、高速充電および低スタンバイ電力を目的とした600V高電圧起動セルを備えています。このコントローラには、堅牢性と高速ラインと負荷制御を目的としたピーク電流モード制御が備わっています。XDPS2201スイッチングコントローラICは、AC/DC SMPSおよび超高電力密度アダプタでの使用に最適です。特徴
- 集積ハーフブリッジドライバ(DSO-14(150mil)パッケージに格納)
- 高速充電および低スタンバイ電力を目的とした600V高電圧起動セルが特徴です。
- 堅牢性と高速ラインおよび負荷制御を目的としたピーク電流モード制御
- 出力電流予測に基づいたバーストモード入力/終了動作
- 一次側の出力過電圧保護
- <75mWという最低レベルの無負荷待機電力をサポート
- 1台のピンUARTインターフェイスから構成できる広範なパラメータ
- 必要な部品表が最低限
- 電圧上昇および電圧低下保護を構成可
- 内蔵ソフト起動を構成可
- 出力過電圧保護を調整可
- 小さなヒステリシスで構成できるバーストモード入力・終了電流閾値
- ピークおよび過渡負荷に2レベルで構成できる過電流保護
- 低負荷効率の改善を目的としたサイクルスキッピングによって構成できる周波数削減
- スイッチング周波数向けにジッタを構成可
- 正確なピーク電流制御を目的に構成できる伝搬遅延補償
- 無鉛リードめっき
- RoHS準拠、ハロゲンフリー、IEC61249-2-21適合
アプリケーション
- AC/DC SMPS
- 超高出力密度アダプタ >20W/inch3
- SMPS >93%の超高効率
標準アプリケーション回路
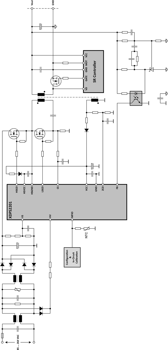
ブロック図
公開: 2021-03-25
| 更新済み: 2022-03-11
