Infineon Technologies XDPS2221 PFC +ハイブリッド・フライバック・コンボ・コントローラ
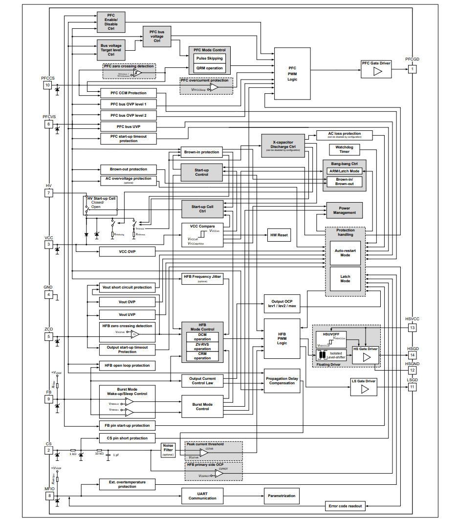
Infineon Technologies XDPS2221 PFC +ハイブリッド・フライバック・コンボ・コントローラは、高度に統合されたデバイスで、マルチモードAC-DC PFCコントローラとマルチモードDC/DCハイブリッド・フライバック・コントローラが搭載されています。高性能マルチモードPFCとハイブリッド・フライバックが単一パッケージに組み合わされていることで外部BOMコンポーネントが削減され、2つの段の動作を調和させることによってシステム性能が最適化されます。Infineon XDPS2221コンボコントローラは、DSO-14(150-mil)パッケージでご用意があります。特徴
- IEC62368-1認証アクティブX容量放電機能
- 臨界導通モード動作が備わった高性能マルチモードPFC
- 適応型共振期間が備わった高効率マルチモード・ハイブリッド・フライバック・トポロジ
- DSO-14(150-mil)パッケージ
- 最大28V(XDPS2222でカバーされる36V/48V)の広い出力電圧が備わっているUSB-PD標準V3.1拡張電力範囲(EPR)をサポート
- X容量放電機能が搭載された600V起動セルをはじめとするPFCとハイブリッド・フライバック・トポロジを対象とした高度統合コンボ・コントローラ
アプリケーション
- アダプタと充電器
- 超高電力密度
- 拡張電力範囲(EPR)
ブロック図
公開: 2022-11-16
| 更新済み: 2022-11-30
