IXYS IX4340 MOSFETドライバ

IXYS IX4340 MOSFETドライバは、デュアル、大電流、ローサイド・ゲート・ドライバで、2つの出力が備わっています。2つの各出力は、5Aのピーク電流のソースとシンクが可能で、最大20Vの最大電圧定格が備わっています。IX4340ドライバは、16nsの一般的な高速伝搬遅延および標準7nsの高速立ち上がり/立ち下がり時間が特徴です。これらのドライバは、40°C~125°Cの温度範囲で動作します。IX4340ドライバは、高電流および高周波数アプリケーションに最適です。

特徴

  • 5Aのソースおよびシンクが備わった2つの独立したドライバ
  • CMOSおよびTTL互換入力
  • 各ドライバ用の独立型イネーブル
  • 低電圧ロックアウト回路
  • 供給電圧範囲: 5V~20V
  • 拡張動作温度範囲: -40ºC~+125ºC
  • 高速伝搬遅延(16ns typ.)
  • 高速立ち上がりおよび立ち下がり時間(7ns typ.)
  • ±4kV ESD定格

アプリケーション

  • スイッチモード電源
  • DC/DCコンバータ
  • モータコントローラ
  • パワーインバータ

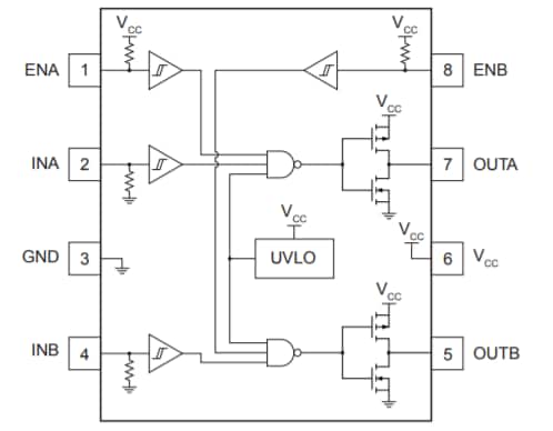
IX4340の機能ブロック図

チャート - IXYS IX4340 MOSFETドライバ
公開: 2017-05-09 | 更新済み: 2022-03-28