IXYS IX4341/IX4342 MOSFETゲートドライバ
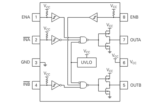
IXYS IX4341/IX4342 MOSFETゲートドライバは、2つの独立したドライバを搭載しており、両方とも反転機能付き(IX4341)または反転機能付きと反転機能なしが1つずつ(IX4342)となっています。ゲートドライバは、CMOSおよびTTL互換入力で、最大5Aのピーク電流をソースおよびシンクできます。IX4341/IX4342シリーズは、モデルに応じて、熱特性が強化された8ピンMSOPパッケージと狭SOICパッケージ、標準狭SOICパッケージを提供しています。IXYSのIX4341/IX4342 MOSFETゲートドライバは、高速の16ns(標準)伝搬遅延と高速の7ns(標準)立ち上がり/立ち下がり時間を実現しており、高周波用途に最適です。ゲートドライバは、スイッチモード電源(SMPS)、DC/DCコンバータ、モータコントローラ、パワーインバータなど、さまざまな用途に最適です。特徴
- 2つの独立した反転ドライバ(IX4341)
- 2つの独立したドライバ(1つは反転、もう1つは非反転)(IX4342)
- 5Aピーク電流のソースおよびシンク能力
- CMOSおよびTTL互換入力
- 熱特性が強化された8ピンMSOPおよび狭SOICパッケージ
- 標準8ピン・ナローSOICパッケージ
- 低電圧ロックアウト(UVLO) 回路
- 高速伝搬遅延
- 高速立ち上がり/立ち下がり時間
- 無鉛/RoHS準拠
アプリケーション
- SMPS
- DC/DC電源
- モータコントローラ
- パワーインバータ
仕様
- 供給電圧範囲: 4.5VCC ~ 18VCC
- 絶対最小入力電圧定格:-0.3V
- 最高入力電圧定格:VCC +0.3
- 出力電流定格: ±5A
- 最大供給電流定格:2.5mA
- ESD定格:±2kV
- 最高スイッチング周波数:1MHz
- ジャンクション温度範囲:-55°C~++150°C
- 保管温度範囲: -65°C ~ +150°C
機能ブロック図
公開: 2024-05-28
| 更新済み: 2024-05-31
