IXYS IXSA80N120L2-7 SiC MOSFET
IXY IXSA80N120L2-7 SiC MOSFETは、産業グレードのシングルスイッチSiC MOSFETで、電力サイクリング特性および超高速、低損失スイッチング動作を示しています。このMOSFETは、低導通損失、低ゲート駆動電力要件、低熱管理労力が特徴で、ゲート制御用に最適化されています。IXSA80N120L2-7 SiC MOSFET は、高速工業スイッチモード電源に使用されます。この SiC MOSFETは、ソーラーインバータ、スイッチモード電源、 UPS、モータドライブ、DC/DCコンバータ、EV充電インフラ、誘導加熱に最適です。特徴
- ドレイン-ソース間電圧 :1,200V
- 30mΩドレイン-ソース間on状態抵抗RDS (on)
- -3/+15~18Vゲートドライブが備わったSiC MOSFET技術
- Ciss の3,000pFの低入力容量
- Tvj = 175°Cの最大仮想接合部温度
- on状態抵抗が低い高阻止電圧
- 低容量の高速スイッチング
- 超高速真性ボディダイオード(Trr = 54.8ns搭載)
- Kelvinソース接続
- 感湿性レベル1 (MSL 1)定格
- 総電力損失:TC = 25°Cで395W
アプリケーション
- ソーラーインバータ
- スイッチモード電源
- UPS
- モータドライブ
- DC/DCコンバータ
- EV充電インフラ
- 誘導加熱
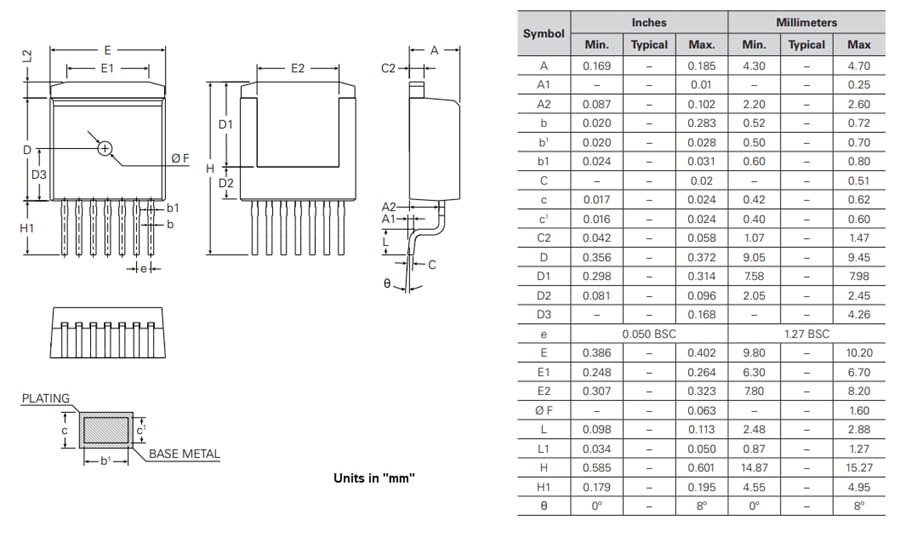
寸法図
公開: 2025-02-28
| 更新済み: 2025-03-17
