一般的なアプリケーションは、ストロボライトとガスエンジンの点火を目的とした容量性放電システムです。電動工具、家庭用製品/褐色物、白物家電の制御が追加のアプリケーションに含まれています。
特徴
- RoHS準拠
- ガラス不動態化接合部
- 電圧能力最大800V
- 最大20Aまでのサージ能力
アプリケーション
- ストロボライトとガスエンジン点火用の容量性放電システム
- 電動工具、家庭用製品/褐色物、白物家電の制御
仕様
- 1.25A IT(RMS)
- 800V VDRM/VRRM
- 50~200uA IGT
- 60°C/W Rth(JC)
回路図
試験回路
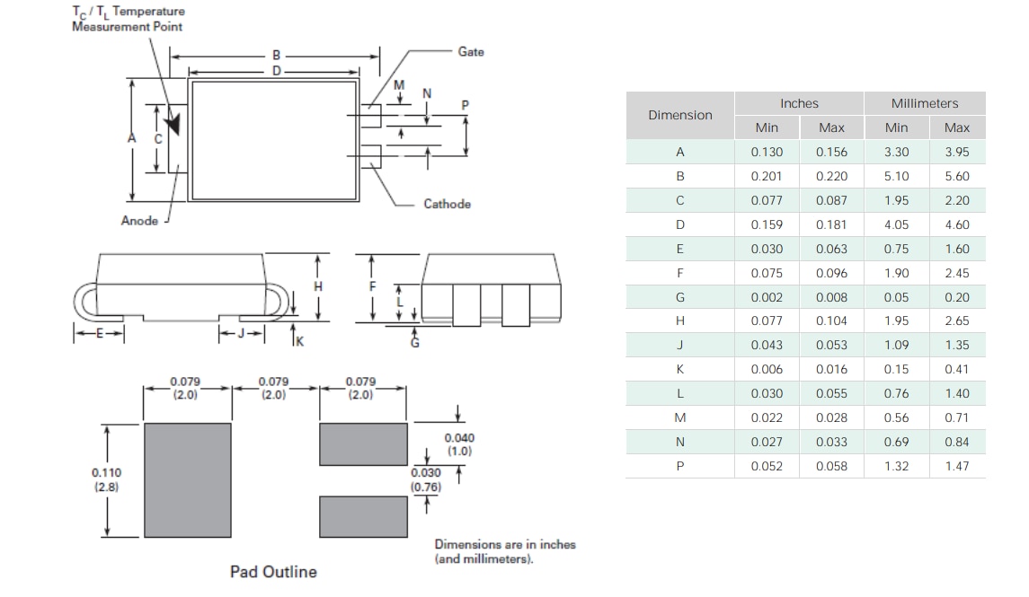
パッケージ寸法コンパック (Cパッケージ)
公開: 2021-09-10
| 更新済み: 2022-03-11

