Littelfuse LS1205ExD33保護eFuse IC
Littelfuse LS1205ExD33保護eFuse ICは、2.7V~18V入力電圧範囲、プログラマブル電流制限、出力電圧クランプが特徴です。このICは、非常にわずかな外付け部品を使用して、複数の保護モードを実現しており、過負荷、短絡、入力電圧サージ、過度の突入電流に対する堅牢な防御を行います。LS1205ExD33 ICは、内部クランプ回路を介して安全な出力電圧への入力過電圧事象から保護します。Littelfuse LS1205ExD33保護eFuse ICは、ネットワーキング、PC、ファン制御、HDD、SSDドライブに最適です。特徴
- 外部選択可能な入力範囲とクランピング出力電圧閾値(LS1205EV)
- オープンドレイン障害インジケータ\ フォールト(LS1205EF)
- 出力放電機能
- 外部プログラマブル・ソフトスタート時間
- 短絡保護
- イネーブル制御ピン
- サーマルシャットダウン保護
- Auto Recovery
- 統合25mΩ低RDS(ON)保護スイッチ
アプリケーション
- HDDおよびSSDドライブ
- アダプタ駆動デバイス
- PC/ノートPC
- ファン制御
- ネットワーク
仕様
- 入力電圧範囲:2.7V~18V
- 外部プログラマブル電流制限: 1A~5A
- 接合部温度範囲:-40°C~+125°C
- 10リードDFN 3mm x 3mmパッケージ
ビデオ
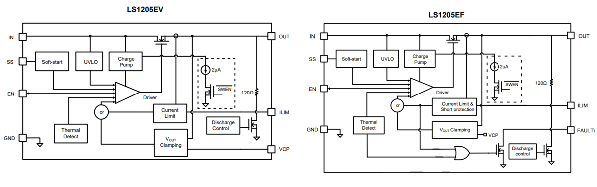
機能ブロック図
公開: 2022-07-18
| 更新済み: 2022-12-07
