QS8004DHxトライアックには、UL認定化合物に準拠したボディ素材があり、難燃性等級94V-0を満たしています。これらのトライアックはRoHSに準拠しており、MSL Level 1およびANSI/J-STD-002、category 3、はんだ付け規格を満たしています。QS8004DHxトライアックは、フリッジ、エアコンコンプレッサ制御、モータ制御、工業ACスイッチング制御、白物家電の各アプリケーションで使用されています。
特徴
- ガラスパシベーションジャンクション
- ソリッドステートスイッチングにより、電圧過渡を引き起こすアーク放電または接点跳動を削減
- 正弦波の駆動位置に基づいた制約(または制限)のあるRFI生成
- 接触しないため、スイッチ切り替えによる摩耗がありません
- 各ハーフサイクルに対し短いゲート活性化パルスが必要
- 難燃性等級94V-0を満たすUL適合化合物を本体の材料として使用しています。
- RoHS準拠
- MSL Level 1に適合
- ANSI/J-STD-002, category 3, Test Aはんだ付け基準に適合
仕様
- 電圧能力最大800V
- 最高55kVまでのサージ能力
- 平均ゲート電力損失 0.3W @TJ=125°C
- オン状態電流(全正弦波) 4ARMS @TC=118°C
- -40°C~125°C動作接合部温度範囲
象限の定義
性能グラフ
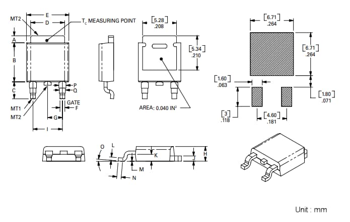
機械図面
公開: 2023-05-04
| 更新済み: 2023-05-18

