Littelfuse SB5000産業用衝撃ブロック
Littelfuse SB5000産業用衝撃ブロックは、208V~600Vの3相電圧向けに設計されており、32Aまたは60Aのいずれかの最大フル負荷電流が備わっています。電源システムは、ソリッドまたは高抵抗接地のいずれかが可能で、負荷は中性端子なしで3相でなければなりません。Littelfuse SB5000産業用ショックブロックの標準エンクロージャは、IP69K/NEMA 4Xおよび屋外定格で、食品生産に使用される高温洗浄をはじめとするすべての工業環境に適しています。この人員保護デバイスは、UL 943Cによって定義された特殊目的GFCIの要件を満たすように設計されています。SB5000工業用ショックブロックには、DFT高調波フィルタリングおよび自動セルフテスト機能が搭載されています。SB5000は、プログラム可能なコンポーネント規格でUL 1998ソフトウェアに準拠しています。特徴
- UL 943逆タイム・トリップ曲線によってユーザーを保護すると同時に、厄介なトリッピングの可能性も低減
- DFTフィルタリングアルゴリズムによって、高調波による厄介なトリップを排除
- < 20ms最小トリップ時間
- 固定6mA (UL 943) または20mA (UL 943C) トリップレベル
- 選択可能なトリップレベル(EGFPD)
- UL 943C、CSA M421に適合するツェナー終端が搭載された2段接地モニタ
- 柔軟性に富んだ構成
- コンフォーマルコーティング
- 補助接点
- 自動セルフテスト
- GFCI Class A、C、D、EGFPDオプション(1シリーズ)
仕様
- 208V、480V、または600V電圧定格
- 32Aまたは60A(連続)電流定格
- 3相、3線式(ニュートラルなし)、60Hzシステムタイプ
- 10,000Aの短絡電流定格(50,000Aまで拡張可能)
- トリップレベルの設定
- 6Maでの固定(Class Aモデル)
- 20Maでの固定(Class C/Dモデル)
- 6mA、10mA、20mA、30mA、40mA、50mA、60mA、70mA、80mA、90mA、または100mAから選択可能(EGFPDモデル)
- UL 943に準じた逆時間曲線トリップ時間設定
- 選択可能なショートまたはツェナー終端、フェイルセーフ、CSA M421に準拠
- IP69KおよびNEMA 4X(屋外)ロック式ポリカーボネート筐体
- ディレーティングで-35°C~+40°C、最大+ 60°C
- 承認
- ULリステッドClass A GFCI (UL 943)
- ULリステッドClass C、D SPGFCI(UL 943C)
- cULusリステッドEGFPD(UL 943/UL 1053)
- UL 1998
ビデオ
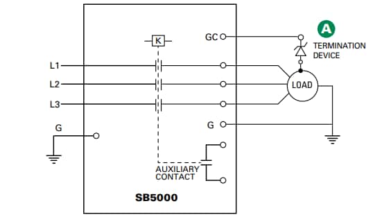
簡略回路図
接続図
その他の資料
公開: 2022-05-18
| 更新済み: 2024-02-09
