Luminus Devices CBM-25X-UV Ultraviolet Chip On Board LEDs
Luminus Devices CBM-25X-UV Ultraviolet Chip On Board LEDs are based on the latest chip technology that enables ultra-high power density operation up to 4A/mm2. These LEDs feature Mosaic array UV LEDs chipset with a 2.4mm2 emitting area and 2.1:1 aspect ratio. The CBM-25X-UV LEDs are specified for flux and peak wavelength at a drive current of 1A with a 20ms pulse at 25°C. These ultraviolet LEDs are suitable for 3D printing and additive manufacturing, medical and scientific instrumentation, machine vision, and fiber-coupled illumination.Features
- Mosaic Array UV LEDs chipset with 2.4mm2 emitting area and 2.1:1 aspect ratio
- The latest chip technology enables ultra-high power density operation up to 4A/mm2
- High thermal conductivity isolated copper core board package
- The low-profile window for efficient coupling into small-etendue systems
- Environmentally friendly:
- REACH, RoHS, and Halogen compliant
Applications
- 3D printing and additive manufacturing
- Machine vision
- Fiber-coupled illumination
- Medical and scientific instrumentation
Typical Spectrum
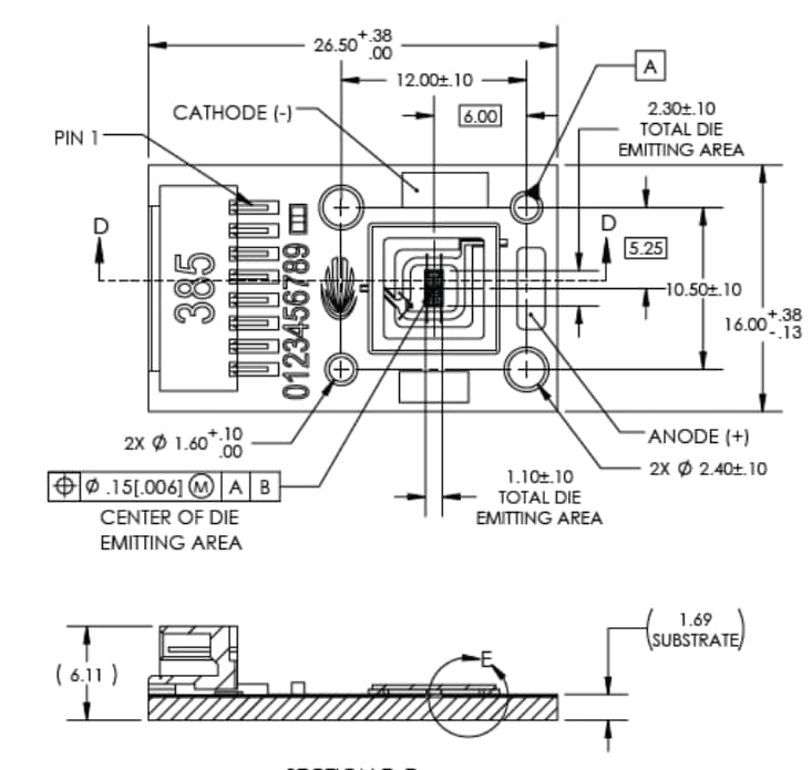
Mechanical Drawing
公開: 2022-06-16
| 更新済み: 2022-06-27
