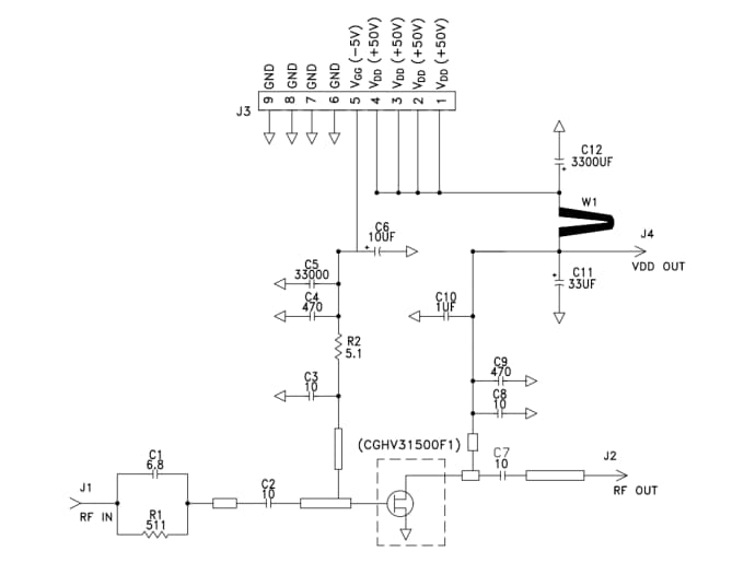
Wolfspeed CGHV31500F1-AMP評価ボードは、CGHV31500F1 HEMTがインストールされて供給されます。
特徴
- 500W Psat
- >65% DE
- 13dB LSG
図式図
公開: 2021-11-15
| 更新済み: 2024-01-18
日本|
日本円
インコタームズ:発注時に消費税が加算されたDDP All prices include duty and customs fees. ¥6,000 (JPY)を超えるほとんどのご注文で送料無料となります。 |
|
米国ドル
インコタームズ:FCA (発送場所) 関税、通関手数料、消費税は、商品お届け時にお支払いください。 $50 (USD)を超えるほとんどのご注文で送料無料となります。 |
Wolfspeed CGHV31500F1-AMP評価ボードは、CGHV31500F1 HEMTがインストールされて供給されます。