MACOM CGHV38375F-AMP Evaluation Board
MACOM CGHV38375F-AMP Evaluation Board facilitates the evaluation of the CGHV38375F IM-FET. The 400W 2.75GHz to 3.75GHz internally matched GaN on SiC Transistor (IM-FET) offers 400W HPA matched to 50Ω at both input and output ports. The CGHV38375F board operates from 2.75GHz to 3.75GHz, expanding coverage over the entire S-band radar band. MACOM CGHV38375F-AMP Evaluation Board is delivered with the CGHV38375F amplifier installed.Features
- Full S-band radar coverage
- 400W typical PSAT
- 55% typical drain efficiency
- >10dB large signal gain
- Pulsed and CW operation
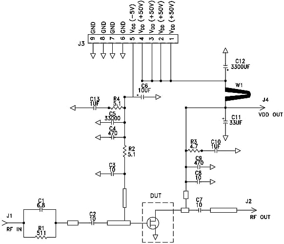
Application Circuit
公開: 2021-09-10
| 更新済み: 2024-01-19
