MACOM CMPA1C1D080F 90W GaN MMICパワーアンプ

Wolfspeed CMPA1C1D080F 90W 12.75GHz~13.25GHz GaN MMICパワーアンプは、Wolfspeedの高性能0.25µm GaN on SiC生産プロセスを活用しています。CMPA1C1D080Fアンプには、衛星通信用の12.75GHz~13.25GHz動作周波数範囲があります。Wolfspeed / Cree CMPA1C1D080Fは、20Wの総出力電力で-30dBcの3次相互変調性能を実現できます。

特徴

  • PSAT標準90W
  • 標準電力付加効率>21%
  • 小信号ゲイン: 25dB
  • 総出力電力20W @ -30dBc IM3
  • 最大40Vでの動作

仕様表

チャート - MACOM CMPA1C1D080F 90W GaN MMICパワーアンプ

アプリケーション図

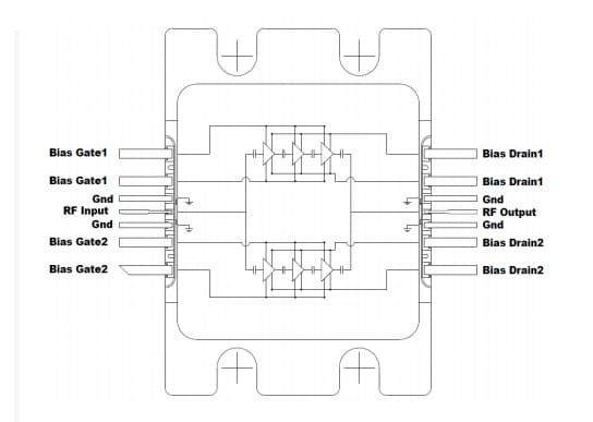
機械図面 - MACOM CMPA1C1D080F 90W GaN MMICパワーアンプ
公開: 2021-09-10 | 更新済み: 2024-01-19