MACOM CMPA2735075F1-AMPデモアンプ回路
Wolfspeed / Cree CMPA2735075F1-AMPデモアンプ回路には、CMPA2735075F GaN MMICが活用されているテストボードが搭載されており、0.5"スクエア・スクリューダウン・パッケージで設置されています。CMPA2735075F MMICには、非常に広い帯域幅を達成している2段リアクティブ整合アンプ設計が搭載されています。CMPA2735075Fは、75Wのピーク出力電力、28Vの動作電圧、周波数範囲は2.7-3.5GHzです。CMPA2735075F1-AMPデモアンプ回路は、動作電圧は28V、周波数範囲は2.7GHz~3.5GHzです。特徴
- Test board with a CMPA2735075F GaN MMIC
- 28V operating voltage
- 2.7GHz to 3.5GHz frequency range
- 0.5" square screw-down package
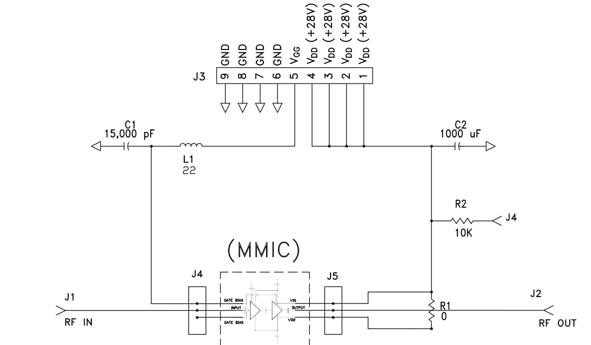
回路図
公開: 2019-05-07
| 更新済み: 2024-01-22
