MACOM CMPA5259025F-AMPデモアンプ回路
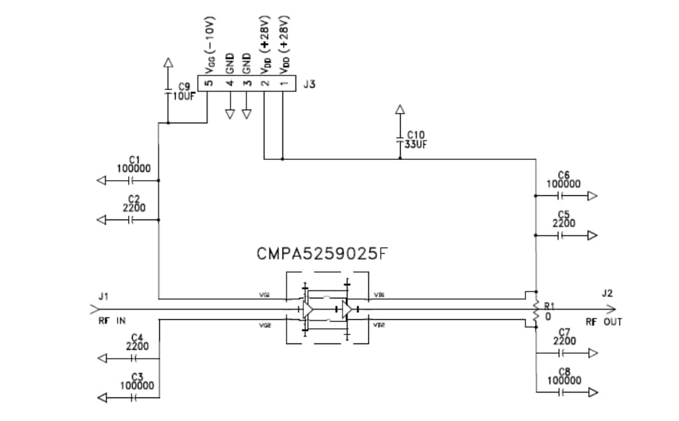
Wolfspeed / Cree CMPA5259025F-AMPデモアンプ回路には、CMPA5259025F GaN MMICが活用されているテストボードが搭載されており、セラミック/金属フランジ・パッケージで設置されています。CMPA5259025F GaN MMICは、高効率、高ゲイン、広帯域で機能するように特別に設計されています。CMPA5259025F GaN MMICは、5.2-5.9GHzのレーダー・アンプ・アプリケーションに最適です。CMPA5259025F-AMPデモアンプ回路は、動作電圧は28V、周波数範囲は5.2GHz~5.9GHzです。特徴
- Test board that integrates CMPA5259025F GaN MMICs
- 28V operating voltage
- 5.2GHz to 5.9GHz frequency range
- Ceramic/metal flange package
回路図
公開: 2019-05-07
| 更新済み: 2024-01-19
